傳真:
18923864027
QQ:
709211280
地址:
深圳市福田區振中路84號愛華科研樓7層
自激推挽式DCAC升壓變換電路圖解實際上是一個自激推挽式DCAC升壓變換電路,由續流二極管,阻尼電感,兩個PNP三極管,兩個基極電阻,一個諧振電容
解析開關電源的基本工作原理幾種基本類型的開關電源顧名思義,開關電源就是利用電子開關器件(如晶體管、場效應管、可控硅閘流管等),通過
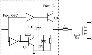
恒壓驅動電路圖解恒壓驅動電路這是恒壓驅動電路,它利用穩壓二極管ZD1(8 6V)來保護恒定的驅動信號幅度。當驅動信號為正脈沖時,Q1導通,通
MOSFET剖面和等效電路圖功率MOSFET的情況有很大的不同。它的dv dt及di dt的能力常以每納秒(而不是每微秒)的能力來估量。但盡管如此,它也
復位電路原理知識為確保微機系統中電路穩定可靠工作,復位電路是必不可少的一部分,復位電路的第一功能是上電復位。一般微機電路正常工作需
靜電放電(ESD)最常用的三種模型與其防護設計ESD:Electrostatic Discharge,即是靜電放電,每個從事硬件設計和生產的工程師都必須掌握 ES
懸置帶線帶阻濾波器的設計介紹1引言帶阻濾波器常用于射頻 微波系統中濾除不需要的信號或者抑制寄生響應,抑制不同通信系統之間的干擾,可以
DVS和AVS的原理和應用隨著人們生活質量的提高,對各種便攜電子產品的功能要求越來越高,而復雜的功能會導致設備的功耗大幅增加。人們期望便
最全面的二極管知識介紹二極管是最常用的電子元件之一,它最大的特性就是單向導電,也就是電流只可以從二極管的一個方向流過,二極管的作用
功率因數校正的幾個小知識介紹1、什么是功率因數校正(PFC)?功率因數指的是有效功率與總耗電量(視在功率)之間的關系,也就是有效功率除以總
電容在電路中起到哪些作用電容是電子設計中最常用的元器件之一,那電容到底在電路中起到什么作用呢?1 旁路電容用于旁路電路中的電容叫做
大功率IGBT中濾波電容的選擇及計算由于IGBT類電源的特殊性,于一般的電源相比其中很多器件都會有相應的改動。濾波電容就是其中一個變動較大