傳真:
18923864027
QQ:
709211280
地址:
深圳市福田區振中路84號愛華科研樓7層
半橋電路的運行原理解析在PWM和電子鎮流器當中,半橋電路發揮著重要的作用。半橋電路由兩個功率開關器件組成,它們以圖騰柱的形式連接在一
怎么選用LCR電橋與認識電阻-電容-電感電阻、電容、電感是最常被設計工程師所用的無源器件,但真正了解L、C、R的卻不多,愿藉此向各位從事設
電解電容器的作用知識一、電容的分類和作用電容(Electric capacity),由兩個金屬極,中間夾有絕緣材料(介質)構成。由于絕緣材料的不同,所
電容器原理-電容器充放電過程圖解一、電容器原理- -簡介電容器,英文名稱為capacitor,簡寫為C,是一種以電場形式存儲能量的無源器件,幾
設計家用電器電路控制板時的EMC解決方法介紹家電控制板的小體積,低成本決定了在線路中不會使用高成本的材料來解決其電磁干擾問題。家電控
無功補償電容器運行特性參數選取知識1 電力電容器及其主要特性參數電力電容器是無功補償裝置的主要部件。隨著技術進步和工藝更新,紙介質電
集結不同的電阻可在電路設計中發揮的作用介紹電阻在電子產品中是最常用的器件之一,基本上只要是電子產品,內部就會存在電阻。電阻可以在電
數字電感電容表設計制作圖解本文介紹一款由555時基構成多諧振蕩器構成的參數變換電路,反相器、晶振構成標準脈沖發生器,以及三個獨立LED數
電感與電感材料詳細介紹1 1 電感的定義:電感是導線內通過交流電流時,在導線的內部及其周圍產生交變磁通,導線的磁通量與生產此磁通的電
壓電陶瓷超聲波傳感器的工作原理與結構特征超聲波傳感器是利用超聲波的特性研制而成的傳感器,由于其工作可靠、安裝方便、防水型、發射夾角
電磁兼容(EMC)元器件的正確選型與應用技巧在復雜的電磁環境中,每臺電子、電氣產品除了本身要能抗住一定的外來電磁干擾正常工作以外,還不
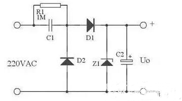
阻容降壓的原理解析電容降壓的工作原理并不復雜。他的工作原理是利用電容在一定的交流信號頻率下產生的容抗來限制最大工作電流。例如,在50