傳真:
18923864027
QQ:
709211280
地址:
深圳市福田區振中路84號愛華科研樓7層
三極管內部載流子的運動規律,電流分配關系與放大作用一、三極管的三種連接方式三極管在電路中的連接方式有三種:①共基極接法;②共發射極
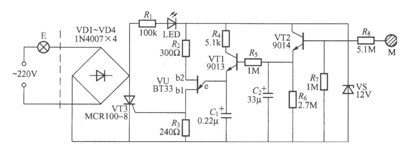
用基極三極管BT33制作的觸摸開關燈電路介紹BT33管腳排列圖觸摸式漸暗延遲燈電路本電路圖所用到的元器件:MMCR100-8 9013 9014 BT33觸摸
普通三極管管腳判斷圖普通的三極管中間為B極,你只要把B極插對,另兩個腳就假想為C、E兩腳,先在NPN上試,兩次假想,一次為C一次為E、只要
三極管音頻放大電路圖解最簡單的三極管音頻放大電路調節R1大小,使在最大輸出時信號不失真即可,減小R可輸出更大的功率。如果有萬用表,可
貼片三極管和場效應管MOS管的識別數碼電子產品中的三極管與場效應管一般也為黑色,大多數為三只引腳,少數為四只引腳(三極管中有兩個腳相通
功率晶體管的封裝-功率三極管封裝圖功率晶體管包括三極管和二極管,其典型的封裝形式是THM(Through-HoleMount,引腳插入式)插腳型封裝,
三極管放大電路中靜態工作點的重要性介紹大家都知道三極管的主要作用是作無觸點開關和放大作用,作開關使用時很好理解,那么它是怎么放大的
三極管基本共集放大電路圖解一、電路組成電路如圖(a)所示,集電極作為共公端,由于輸出電壓從發射極獲得,故也稱共集放大電路為射極輸出
三極管和可控硅組成的觸摸開關電路介紹4款實用的觸摸開關電路,它們都是用于白熾燈的開啟與關閉,圖1~圖4電路中,虛線左部是普通照明線路
三極管S9014管腳圖參數和應用電路S9014是非常常見的晶體三極管,在收音機以及各種放大電路中經常看到它,應用范圍很廣,它是npn型小功率三極
三極管的穿透電流怎么檢測三極管的穿透電流ICEO是表征其工作穩定性優劣的一項重要參數。三極管的穿透電流ICEO的數值近似等于管子的倍數&bet
三極管做開關電路怎么應用三極管也叫雙極性晶體管,是電流控制器件,在數字電路和模擬電路中廣泛應用。它有三個極,分別基極b,集電極c,發