傳真:
18923864027
QQ:
709211280
地址:
深圳市福田區振中路84號愛華科研樓7層
雙向觸發二極管典型應用電路圖解雙向觸發二極管是一種壓敏負阻器件。在一般情況下,雙向觸發二極管呈高阻截止狀態,當外加電壓(不分正負)的
雙基極二極管知識了解雙基極二極管雙基極二極管又稱單結晶體管,具有兩個基極,一個發射極的三端負阻器件,它具有頻率易調、溫度穩定性好等
阻尼二極管是什么-了解阻尼二極管1.阻尼二極管的特點及應用阻尼二極管類似于高頻、高壓整流二極管,其特點是具有較低有電壓降和較高的工作
IGBT模塊旁并聯續流二極管的作用介紹IGBT模塊旁的續流二極管續流二極管二極管通常是指反向并聯在IGBT模塊兩端的一個二極管,它的作用是在電
二極管的特性與萬用表的測試方法1、二極管的特性二極管的英文是diode。二極管的正 負二個端子,(如圖1)正端A稱為陽極,負端B稱為陰極。電流只
功率MOSFET體二極管反向恢復特性了解半橋、全橋和LLC的電源系統以及電機控制系統的主功率MOSFET、同步Buck變換器的續流開關管、以及次級同
二極管的種類,伏安特性與二極管的參數二極管的種類:二極管形形色色的二極管二極管種類有很多,因為常見的半導體材料有硅和鍺,所以二極管
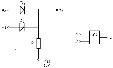
二極管或門電路與原理解析1.電路組成及符號如圖3 10所示。UA、UB是輸入信號,它們的高電平是3V,低電平是0V。UY是輸出信號。2.工作原理利
單結晶體管雙基極二極管BT33的結構和特性單結晶體管有一個PN結和三個電極,即一個發射極和二個基極,所以又叫雙基極二極管。單結晶體管有一
二極管是如何進行整流工作的二極管電路中,整流二極管的應用非常多。整流二極管就是專門用于電源電路中將交流電轉換成單向脈動直流電的,有
TVS二極管的應用測試計算案例一、選用指南1、首先確定被保護電路的最大直流或連續工作電壓,電路的額定標準電壓和高端容限。2、TVS的額定反
電路設計中二極管的選用規則二極管又稱晶體二極管,簡稱二極管(diode),另外,還有早期的真空電子二極管;它是一種具有單向傳導電流的電子器