傳真:
18923864027
QQ:
709211280
地址:
深圳市福田區振中路84號愛華科研樓7層
橋式整流器的原理與作用橋式整流器品種多:有扁形、圓形、方形、板凳形(分直插與貼片)等,有GPP與O J結構之分。最大整流電流從0 5A到100A
照明控制電路的識圖順序,工作流程介紹照明控制電路結構多樣,電子元件,控制部件、功能器件連接組合方式的不同,電路的功能也就千差萬別對
橋式整流器的知識介紹在整流器當中,除了一般的整流器,橋式整流器可以說是一種非常常見的類型了。雖然,橋式整流器非常常見以及常用,但是
整流橋堆規格書里的VF是單個二極管的正向壓降嗎橋堆規格書里的VF是單個二極管的正向壓降,橋堆是一種電子元件,它是由四個二極管組成的一種
全橋,半橋整流橋堆內部電路結構與電路圖形符號整流橋堆一般用在全波整流電路中,它又分為全橋與半橋。1.全橋 全橋是由4只整流二極管按橋
二極管橋堆的檢測方法橋堆是四只或兩只二極管按照一定規律連接并接出引出線,進行封裝后形成的一種電子器件。橋堆的圖形符號及檢測電路如圖
電感式接近開關原理解析我們知道接近開關又稱無觸點行程開關,它能在一定的距離內檢測有無物體靠近,并做出動作,它有很多種,比如電感式(
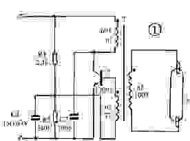
可用24V的直流低壓節能燈解析一般的節能燈只能在220V的電壓下工作,在車、船上采用蓄電池供電的場合就無法使用了。本文介紹的節能燈可用24V
全橋電機驅動電路的工作原理解析在電路設計當中,全橋的作用非常重要,當橋式整流電路當中的四個二極管封裝在一起時就構成了全橋電路,而全
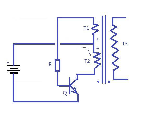
單管自激振蕩-準確的起振原因解析振蕩電路猶如電路系統的心臟,高度穩定的振蕩單元如晶振是計算機工作的基本條件和重要保障。實用的振蕩電
詳解電路板晶體三極管的作用與原理電路板中晶體三極管一般指三極管,完整名稱叫半導體三極管,同時也叫雙極型晶體管、晶體三極管,三極管的
三極管開關電路設計經驗介紹三極管開關電路是目前應用頻率最頻繁的開關電路形式之一,運用得當能夠簡化電路結構,并有效減少功耗。今天我們