傳真:
18923864027
QQ:
709211280
地址:
深圳市福田區振中路84號愛華科研樓7層
開關電源設計方案介紹開關電源是利用現代電力電子技術,控制開關晶體管開通和關斷的時間比率,維持穩定輸出電壓的一種電源。開關電源領域包
全橋電路的工作原理介紹工作原理:如圖所示單相橋式逆變電路工作原理開關T1、T4閉合,T2、T3斷開:u0=Ud;開關T1、T4斷開,T2、T3閉合:u0=-
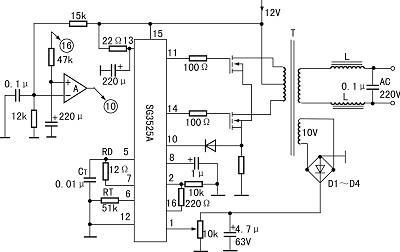
PWM開關穩壓電源的尖峰干擾解析PWM(PulseWidthmodulation)型開關穩壓電源具有體積小、效率高的優點,作為電源設備在許多領域得到了廣泛的
功率穩壓逆變電源的設計和應用目前國內大多數采用的長延時熱脫扣試驗方案是通過變壓器直接對斷路器施加一個電壓以獲得測試電流。在測試過程
TL431的線性精密穩壓電源的設計方案介紹TL431是一個有良好熱穩定性能的三端可調精密電壓基準集成芯片,具有體積小、價格低廉、性能優良等特
三極管逆變器電路設計介紹這是一種性能優良的家用逆變電源電路圖,材料易取,輸出功率150W 本電路設計頻率為300Hz左右,目的是縮小逆變變壓
三極管的基本放大電路設計的探析基本放大電路是放大電路中最基本的結構,是構成復雜放大電路的基本單元。它利用雙極型半導體三極管輸入電流
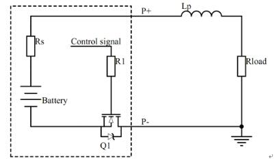
基于功率MOSFET的鋰電池保護電路設計介紹鉛酸電池具有安全、便宜、易維護的特點,因此目前仍然廣泛的應用于電動自行車。但是鉛酸電池污染大
二極管中限幅電路的分析與其故障檢測二極管是一種具有兩個電極的器件,它容許電流從一個方向流過,由于這個特點,在電路當中,二極管經常被
上電復位電路的使用策略介紹工程師們在調試各式各樣的板子時,常會出現開機出現錯誤,系統無法正常打開,接下來我們將列舉電路板上電時可能
DC12V直流電源防雷保護設計解析隨著安防行業的蓬勃發展,視頻監控越來越普及,從原來的特殊崗位、行業發展到至今的小區園區、走廊、甚至是
集成運算放大器的電路構成與特點了解集成運算放大器的一般概況;掌握集成運算放大器在線性和非線性應用方面的基本電路工作原理及分析方法;了