目前國內大多數采用的長延時熱脫扣試驗方案是通過變壓器直接對斷路器施加一個電壓以獲得測試電流。在測試過程中,由于電網電壓的波動、載流電路中引線電阻變化、負載本身電阻發熱變化,使測試電流隨之變動,難以滿足國家標準的要求。本文介紹了一種功率穩壓逆變電源,具有工作穩定可靠、輸入功率因數高、輸出精度高、波形失真度小、效率高的優點。
標稱功率300W的逆變電源,用于家庭電風扇、電視機,以及日常照明等是不成問題的。300W逆變器,利用12V/60AH蓄電池向上述家用電器供電,一次充滿電后,可使用近5小時。不過,即使蓄電池電壓充足,啟動180立升的電冰箱仍有困難,因啟動瞬間輸出電壓下降為不足180V而失敗。電冰箱壓縮機標稱功率多為100W左右,實際啟動瞬間電流可達2A以上,若欲使啟動瞬間降壓不十分明顯,必須將輸出功率提高至600VA.如在增大輸出功率的同時,采用PWM穩壓系統,可使啟動瞬間降壓幅度明顯減小。無論電風扇還是電冰箱,應用逆變電源供電時,均應在逆變器輸出端增設圖1中的LC濾波器,以改善波形,避免脈沖上升沿尖峰擊穿電機繞組。


圖1
采用雙極型開關管的逆變器,基極驅動電流基本上為開關電流的1/β,因此大電流開關電路必須采用多級放大,不僅使電路復雜化,可靠性也變差而且隨著輸出功率的增大,開關管驅動電流需大于集電極電流的1/β,致使普通驅動IC無法直接驅動。雖說采用多級放大可以達到目的,但是波形失真卻明顯增大,從而導致開關管的導通/截止損耗也增大。目前解決大功率逆變電源及UPS的驅動方案,大多采用MOS FET管作開關器件。
MOSFET管的應用
近年來,金屬氧化物絕緣柵場效應管的制造工藝飛速發展,使之漏源極耐壓(VDS)達kV以上,漏源極電流(IDS)達50A已不足為奇,因而被廣泛用于高頻功率放大和開關電路中。
除此而外,還有雙極性三極管與MOS FET管的混合產品,即所謂IGBT絕緣柵雙極晶體管。顧名思義,它屬MOS FET管作為前級、雙極性三極管作為輸出的組合器件。因此,IGBT既有絕緣柵場效應管的電壓驅動特性,又有雙極性三極管飽合壓降小和耐壓高的輸出特性,其關斷時間達到0.4μs以下,VCEO達到1.8kV,ICM達到100A的水平,目前常用于電機變頻調速、大功率逆變器和開關電源等電路中。
一般中功率開關電源逆變器常用MOS FET管的并聯推挽電路。MOS FET管漏-源極間導通電阻,具有電阻的均流特性,并聯應用時不必外加均流電阻,漏源極直接并聯應用即可。而柵源極并聯應用,則每只MOS FET管必須采用單獨的柵極隔離電阻,避免各開關管柵極電容并聯形成總電容增大,導致充電電流增大,使驅動電壓的建立過程被延緩,開關管導通損耗增大。
MOSFET的驅動
近年來,隨著MOSFET生產工藝的改進,各種開關電源、變換器都廣泛采用MOS FET管作為高頻高壓開關電路,但是,專用于驅動MOS FET管的集成電路國內極少見。驅動MOSFET管的要求是,低輸出阻抗,內設灌電流驅動電路。所以,普通用于雙極型開關管的驅動IC不能直接用于驅動場效應管。
目前就世界范圍來說,可直接驅動MOSFET管的IC品種仍不多,單端驅動器常用的是UC3842系列,而用于推挽電路雙端驅動器有SG3525A(驅動N溝道場效應管)、SG3527A(驅動P溝道場效應管)和SG3526N(驅動N溝道場效應管)。然而在開關電源快速發展的近40年中,畢竟有了一大批優秀的、功能完善的雙端輸出驅動IC.同時隨著MOSFET管應用普及,又開發了不少新電路,可將其用于驅動MOSFET管,解決MOSFET的驅動無非包括兩個內容:一是降低驅動IC的輸出阻抗;二是增設MOSFET管的灌電流通路。為此,不妨回顧SG3525A、SG3527A、SG3526N以及單端驅動器UC3842系列的驅動級。


圖2
圖2a為上述IC的驅動輸出電路(以其中一路輸出為例)。振蕩器的輸出脈沖經或非門,將脈沖上升沿和下降沿輸出兩路時序不同的驅動脈沖。在脈沖正程期間,Q1導通,Q2截止,Q1發射極輸出的正向脈沖,向開關管柵極電容充電,使漏-源極很快達到導通閾值。當正程脈沖過后,若開關管柵-源極間充電電荷不能快速放完,將使漏源極驅動脈沖不能立即截止。為此,Q1截止后,或非門立即使Q2導通,為柵源極電容放電提供通路。此驅動方式中,Q1提供驅動電流,Q2提供灌電流(即放電電流)。Q1為發射極輸出器,其本身具有極低的輸出阻抗。
為了達到上述要求,將普通用于雙極型開關管驅動輸出接入圖2b的外設驅動電路,也可以滿足MOS FET管的驅動要求。設計驅動雙極型開關管的集成電路,常采用雙端圖騰柱式輸出兩路脈沖,即兩路輸出脈沖極性是相同的,以驅動推挽的兩只NPN型三極管。為了讓推挽兩管輪流導通,兩路驅動脈沖的時間次序不同。如果第一路輸出正脈沖,經截止后,過一死區時間,第二路方開始輸出。兩路驅動級采用雙極型三極管集射極開路輸出,以便于取得不同的脈沖極性,用于驅動NPN型或PNP型開關管。
前級驅動IC內部緩沖器的發射極,在負載電阻R1上建立未倒相的正極性驅動脈沖使三極管Q截止。在驅動脈沖上升沿開始,正極性脈沖通過二極管D加到MOS FET開關管柵-源極,對柵源極電容CGS充電,當充電電壓達到開關管柵極電壓閾值時,其漏源極導通。正脈沖持續期過后,IC內部緩沖放大器發射極電平為零,輸出端將有一定時間的死區。此時,Q的發射極帶有CGS充電電壓,因而Q導通,CGS通過Q的ec極放電,Q的集電極電流為灌電流通路。R2為開關管的柵極電阻,目的是避免開關管的柵極在Q、D轉換過程中懸空,否則其近似無窮大的高輸入阻抗極容易被干擾電平所擊穿。采用此方式利用普通雙端輸出集成電路,驅動MOS FET開關管,可以達到比較理想的效果。為了降低導通/截止損耗,D應選用快速開關二極管。Q的集電極電流應根據開關管決定,若為了提高輸出功率,每路輸出采用多只MOS FET管并聯應用,則應選擇ICM足夠大的灌流三極管和高速開關二極管。
TL494應用
目前所有的雙端輸出驅動IC中,可以說美國德州儀器公司開發的TL494功能最完善、驅動能力最強,其兩路時序不同的輸出總電流為SG3525的兩倍,達到400mA.僅此一點,使輸出功率千瓦級及以上的開關電源、DC/DC變換器、逆變器,幾乎無一例外地采用TL494.雖然TL494設計用于驅動雙極型開關管,然而目前絕大部分采用MOS FET開關管的設備,利用外設灌流電路,也廣泛采用TL494.為此,本節中將詳細介紹其功能及應用電路。其內部方框圖如圖3所示。其內部電路功能、特點及應用方法如下:
A.內置RC定時電路設定頻率的獨立鋸齒波振蕩器,其振蕩頻率fo(kHz)=1.2/R(kΩ)。C(μF),其最高振蕩頻率可達300kHz,既能驅動雙極性開關管,增設灌電流通路后,還能驅動MOS FET開關管。
B.內部設有比較器組成的死區時間控制電路,用外加電壓控制比較器的輸出電平,通過其輸出電平使觸發器翻轉,控制兩路輸出之間的死區時間。當第4腳電平升高時,死區時間增大。
C.觸發器的兩路輸出設有控制電路,使Q1、Q2既可輸出雙端時序不同的驅動脈沖,驅動推挽開關電路和半橋開關電路,同時也可輸出同相序的單端驅動脈沖,驅動單端開關電路。
D.內部兩組完全相同的誤差放大器,其同相輸入端均被引出芯片外,因此可以自由設定其基準電壓,以方便用于穩壓取樣,或利用其中一種作為過壓、過流超閾值保護。
E.輸出驅動電流單端達到400mA,能直接驅動峰值電流達5A的開關電路。雙端輸出脈沖峰值為2×200mA,加入驅動級即能驅動近千瓦的推挽式和橋式電路。


圖3
TL494的各腳功能及參數如下:第1、16腳為誤差放大器A1、A2的同相輸入端。最高輸入電壓不超過VCC+0.3V.第2、15腳為誤差放大器A1、A2的反相輸入端。可接入誤差檢出的基準電壓。第3腳為誤差放大器A1、A2的輸出端。集成電路內部用于控制PWM比較器的同相輸入端,當A1、A2任一輸出電壓升高時,控制PWM比較器的輸出脈寬減小。同時,該輸出端還引出端外,以便與第2、15腳間接入RC頻率校正電路和直接負反饋電路,一則穩定誤差放大器的增益,二則防止其高頻自激。另外,第3腳電壓反比于輸出脈寬,也可利用該端功能實現高電平保護。第4腳為死區時間控制端。當外加1V以下的電壓時,死區時間與外加電壓成正比。如果電壓超過1V,內部比較器將關斷觸發器的輸出脈沖。第5腳為鋸齒波振蕩器外接定時電容端,第6腳為鋸齒波振蕩器外接定時電阻端,一般用于驅動雙極性三極管時需限制振蕩頻率小于40kHz.第7腳為接地端。第8、11腳為兩路驅動放大器NPN管的集電極開路輸出端。當第8、11腳接Vcc,第9、10腳接入發射極負載電阻到地時,兩路為正極性圖騰柱式輸出,用以驅動各種推挽開關電路。當第8、11腳接地時,兩路為同相位驅動脈沖輸出。第8、11腳和9、10腳可直接并聯,雙端輸出時最大驅動電流為2×200mA,并聯運用時最大驅動電流為400mA.第14腳為內部基準電壓精密穩壓電路端。輸出5V±0.25V的基準電壓,最大負載電流為10mA.用于誤差檢出基準電壓和控制模式的控制電壓。TL494的極限參數:最高瞬間工作電壓(12腳)42V,最大輸出電流250mA,最高誤差輸入電壓Vcc+0.3V,測試/環境溫度≤45℃,最大允許功耗1W,最高結溫150℃,使用溫度范圍0~70℃,保存溫度-65~+150℃。
TL494的標準應用參數:Vcc(第12腳)為7~40V,Vcc1(第8腳)、Vcc2(第11腳)為40V,Ic1、Ic2為200mA,RT取值范圍1.8~500kΩ,CT取值范圍4700pF~10μF,最高振蕩頻率(fOSC)≤300kHz.


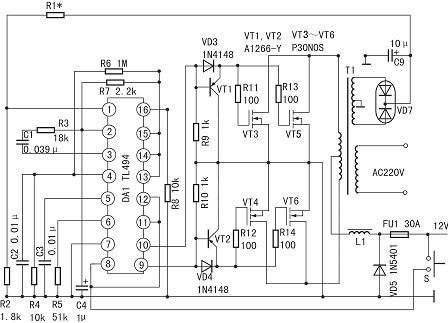
圖4
圖4為外刊介紹的利用TL494組成的400W大功率穩壓逆變器電路。它激式變換部分采用TL494,VT1、VT2、VD3、VD4構成灌電流驅動電路,驅動兩路各兩只60V/30A的MOS FET開關管。如需提高輸出功率,每路可采用3~4只開關管并聯應用,電路不變。TL494在該逆變器中的應用方法如下:
第1、2腳構成穩壓取樣、誤差放大系統,正相輸入端1腳輸入逆變器次級取樣繞組整流輸出的15V直流電壓,經R1、R2分壓,使第1腳在逆變器正常工作時有近4.7~5.6V取樣電壓。反相輸入端2腳輸入5V基準電壓(由14腳輸出)。當輸出電壓降低時,1腳電壓降低,誤差放大器輸出低電平,通過PWM電路使輸出電壓升高。正常時1腳電壓值為5.4V,2腳電壓值為5V,3腳電壓值為0.06V.此時輸出AC電壓為235V(方波電壓)。第4腳外接R6、R4、C2設定死區時間。正常電壓值為0.01V.第5、6腳外接CT、RT設定振蕩器三角波頻率為100Hz.正常時5腳電壓值為1.75V,6腳電壓值為3.73V.第7腳為共地。第8、11腳為內部驅動輸出三極管集電極,第12腳為TL494前級供電端,此三端通過開關S控制TL494的啟動/停止,作為逆變器的控制開關。當S1關斷時,TL494無輸出脈沖,因此開關管VT4~VT6無任何電流。S1接通時,此三腳電壓值為蓄電池的正極電壓。第9、10腳為內部驅動級三極管發射極,輸出兩路時序不同的正脈沖。正常時電壓值為1.8V.第13、14、15腳其中14腳輸出5V基準電壓,使13腳有5V高電平,控制門電路,觸發器輸出兩路驅動脈沖,用于推挽開關電路。第15腳外接5V電壓,構成誤差放大器反相輸入基準電壓,以使同相輸入端16腳構成高電平保護輸入端。此接法中,當第16腳輸入大于5V的高電平時,可通過穩壓作用降低輸出電壓,或關斷驅動脈沖而實現保護。在它激逆變器中輸出超壓的可能性幾乎沒有,故該電路中第16腳未用,由電阻R8接地。
該逆變器采用容量為400VA的工頻變壓器,鐵芯采用45×60mm2的硅鋼片。初級繞組采用直徑1.2mm的漆包線,兩根并繞2×20匝。次級取樣繞組采用0.41mm漆包線繞36匝,中心抽頭。次級繞組按230V計算,采用0.8mm漆包線繞400匝。開關管VT4~VT6可用60V/30A任何型號的N溝道MOS FET管代替。VD7可用1N400X系列普通二極管。該電路幾乎不經調試即可正常工作。當C9正極端電壓為12V時,R1可在3.6~4.7kΩ之間選擇,或用10kΩ電位器調整,使輸出電壓為額定值。如將此逆變器輸出功率增大為近600W,為了避免初級電流過大,增大電阻性損耗,宜將蓄電池改用24V,開關管可選用VDS為100V的大電流MOS FET管。需注意的是,寧可選用多管并聯,而不選用單只IDS大于50A的開關管,其原因是:一則價格較高,二則驅動太困難。建議選用100V/32A的2SK564,或選用三只2SK906并聯應用。同時,變壓器鐵芯截面需達到50cm2,按普通電源變壓器計算方式算出匝數和線徑,或者采用廢UPS- 600中變壓器代用。如為電冰箱、電風扇供電,請勿忘記加入LC低通濾波器。
由于本文中的交流穩流源實質上是一個電壓型電流源,即通過快速調節輸出電壓來實現輸出穩流。當輸出開路時,輸出電壓會迅速上升到到直流母線電壓附近,而不會像電流型電流源那樣升得很高。盡管如此,負載開路時,輸出電壓仍會迅速上升,并引起輸出電壓以LC諧振頻率進行振蕩,這兩者均會導致輸出波形嚴重畸變;此外,當輸出負載重新接上時會引起輸出瞬態過流。因此,所描述的交流穩流逆變電源應用于低壓電器長延時熱脫扣試驗,適用于對斷路器、熱繼電器等低壓電器作長延時特性的校驗和測試。
烜芯微專業制造二極管,三極管,MOS管,橋堆等20年,工廠直銷省20%,4000家電路電器生產企業選用,專業的工程師幫您穩定好每一批產品,如果您有遇到什么需要幫助解決的,可以點擊右邊的工程師,或者點擊銷售經理給您精準的報價以及產品介紹
烜芯微專業制造二極管,三極管,MOS管,橋堆等20年,工廠直銷省20%,4000家電路電器生產企業選用,專業的工程師幫您穩定好每一批產品,如果您有遇到什么需要幫助解決的,可以點擊右邊的工程師,或者點擊銷售經理給您精準的報價以及產品介紹

