傳真:
18923864027
QQ:
709211280
地址:
深圳市福田區振中路84號愛華科研樓7層
結型場效應管是什么,結型場效應管的特點與作用結型場效應晶體管(Junction Field-Effect Transistor,JFET)JFET是在同一塊N形半導體上制
場效應管功放電路圖解析MOS管功率放大器電路圖是由電路穩壓電源模塊、帶阻濾波模塊、電壓放大模塊、功率放大模塊、AD轉換模塊以及液晶顯示
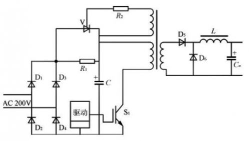
開關電源的軟起動電路解析開關電源的輸入電路大都采用整流加電容濾波電路。在輸入電路合閘瞬間,由于電容器上的初始電壓為零會形成很大的瞬
驅動LED的CFL整流器IC介紹用CFL(緊湊式熒光燈)中的整流器IC(IR53HD420)來加熱燈絲、點亮燈泡,為電燈提供電流(參考文獻1)。制造商大
全數字DC-DC變換器解析移相全橋ZVS DC-DC變換器是目前應用最廣泛的軟開關電路之一。作為一種具有優良性能的移相全橋變換器,其兩個橋臂的
開關電源保護電路的工作原理介紹為使開關電源在惡劣環境及突發故障狀況下安全可靠,提出了幾種實用的保護電路,并對電路的工作原理進行了詳
熱敏電阻中的電流設計分析圖1是典型的電子產品電源部分簡化電路,C1是與負載并聯的濾波電容。在開機上電的瞬間,電容電壓不能突變,因此會
怎么防止浪涌電壓沖擊功率因數控制電路或充電器多數用到直流-直流轉換器或電機變頻器的產品設備必須對市電交流電壓進行整流處理,例如,大
四款直流穩壓電路原理詳解1、穩壓二極管穩壓電路穩壓二極管,又叫齊納二極管,是一種直到臨界反向擊穿電壓前都具有很高電阻的半導體器件。
線性直流穩壓電源的工作原理與電路方案設計介紹線性穩壓電源是指調整管工作在線性狀態下時的直流穩壓電源,它是一種電源變換電路,也是電子
整流橋電路圖分析方法介紹三相整流橋的作用將電源輸入交流轉換直流的環節,是任何用電器正常工作都必不可少的一環,這個過程就叫作--整流。
半波整流,全波整流,全波橋式整流,倍壓整流整流電路也分四種類型。第一種是半波整流,半波整流電路一般情況下只需要一個二極管。詳細的情況