傳真:
18923864027
QQ:
709211280
地址:
深圳市福田區振中路84號愛華科研樓7層
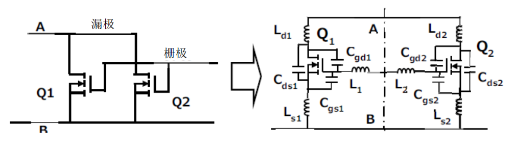
TO-247-4L封裝為什么和超級結MOS管是絕配最新數據顯示,新型TO-247-4L封裝能夠解決超級結MOS管中的源級連接電感對開關速度的不利影響。根據
怎么為MOS管選擇最適合的驅動電路在開關電源等電力系統設計中,設計人員關心最多的是MOS管的幾個參數,如導通電阻、最大電壓、最大電流。這
金氧場效應晶體管-OSFET P溝道N溝道MOSFET的工作原理mosfet是電容器操作的晶體管器件。電容器對于操作MOSFET起著至關重要的作用。我們還稱
MOSFET電路類型集合與特性分析已成為最常用的三端子器件的MOSFET帶來了電子電路領域的革命。如果沒有MOSFET,現在集成電路的設計似乎是不可
CMOS晶體管的制造工藝流程在IC上制造的最復雜的元件是晶體管。晶體管具有各種類型,例如CMOS,BJT,FET。我們根據要求選擇在IC上實施的晶體
功率MOSFET并聯時產生寄生振蕩的原因與解決方法功率MOS管即功率MOSFET,具有熱漂移小,驅動電路簡單,驅動功率小,開關速度快,工作頻率高
MOS管驅動電阻器與MOS管柵極尖峰電壓的防護與常規雙極晶體管不同,MOS管是電壓控制型器件,一般用于小電壓控制大電流的情況,包括開關電源
FET晶體管的類型與MOS管工作原理應用場效應晶體管或FET是晶體管,其中輸出電流由電場控制。FET有時被稱為單極晶體管,因為它涉及單載波型操
不同類型的晶體管與功能應用晶體管是一個有源元件,并且在所有電子電路中都在建立。它們用作放大器和開關設備。作為放大器,它們用于高和低
如何使用晶體管作為開關與應用晶體管由威廉·肖克利(William Shockley)于1947 年發明。晶體管是一種三端半導體器件,可用于開關應用,
什么是MOS控制晶閘管與工作應用MOS控制晶閘管由VAK Temple開發。它是一個電壓控制器,晶閘管是完全可控的晶閘管。MOS控制晶閘管的操作與GT
雙極結型晶體管的工作原理及應用雙極結型晶體管使用電子和空穴這兩個電荷載流子。諸如場效應晶體管之類的單極晶體管僅使用一種電荷載流子。