傳真:
18923864027
QQ:
709211280
地址:
深圳市福田區振中路84號愛華科研樓7層
開關電源內部損耗8大原因的詳細解析要提高開關電源的效率,就必須分辨和粗略估算各種損耗。開關電源內部的損耗大致可分為四個方面:開關損
三路輸出的超寬壓輸入電源電路設計解析寬壓輸入電源要求在一定范圍內不同等級的電壓都能夠使用,對電壓波動有很強的適應性。在工業現場,電
2V升5V的升壓芯片,兩款芯片電路圖介紹2V的輸入電壓,是可以用來做5V輸出的升壓電路,但是2V的供電設備很少,不知道還有什么東西是2V電壓的
怎么有效地檢測碳化硅(SiC)二極管隨著寬禁帶半導體技術的日益普及,需要在高溫和苛刻的電流循環條件下,對二極管操作進行各種耐久性測試,
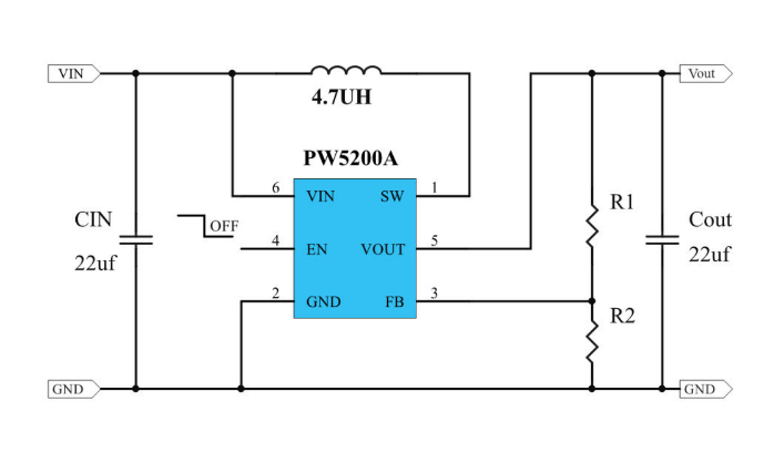
1 5V升3V芯片與電路圖,DC-DC升壓IC1 5V升3V的升壓芯片,3V給LED供電,或者單片機模塊供電等。PW5200A工作頻率為1 4MHZ。輕載時自動PWM PFM
提高4H-SiC肖特基二極管與MOSFET的雪崩耐受性半導體市場的最新趨勢是廣泛采用碳化硅(SiC)器件,包括用于工業和汽車應用的肖特基勢壘二極
為放大器模擬輸入模塊提供強大的輸入過壓保護知識可編程邏輯控制器中的一個關鍵子系統是模擬輸入模塊,它提供了一個高精度前端來測量各種傳
AC DC電源基礎知識介紹(2)-變壓器方式變壓器是用作AC DC轉換電源模塊的最常用方法之一,在此以輸入電壓100VAC為例子,通過變壓器將100VAC降
AC DC電源基礎知識詳解(3)-開關方式開關方式是用作AC DC轉換電源模塊的最常用方法之一,使用開關元件的AC DC轉換原理圖如下圖所示:開關方
AC DC電源基礎知識介紹-為什么需要AC DC轉換為什么需要AC DC轉換?因為傳輸的是AC交流電,而電子電路基本上是DC直流電驅動低電壓。為什么傳
一次電源,二次電源是什么通過以下的知識,大家能夠更好地進一步地了解一次電源與二次電源的區別的相關知識,也希望大家好好閱覽一下相關的
什么是DTU模塊與GPRS模塊,它們有什么關聯什么是DTU模塊?DTU(DataTransferUnit,數據傳輸單元)是一種用于將串口數據轉換為IP數據或將IP數據