傳真:
18923864027
QQ:
709211280
地址:
深圳市福田區振中路84號愛華科研樓7層
模塊電源中光耦的作用介紹光耦是一種轉換器件,原理是通過電到光再到電的轉換過程。通過這種轉換可以把前級和后級隔離開來,起到保護作用。
1V轉3 3V穩壓供電的芯片電路圖介紹1V轉3 3V供電是簡單的,僅需要一個芯片和三個外圍元件即可組成這樣的一個1V轉3 3V的電路圖和升壓電路了。
三端可調穩壓集成電路輸出電壓計算公式介紹簡化的LM317穩壓電路原理圖。上圖為大家熟悉的LM317穩壓電路,這里為了介紹方便,省略了一些元件
ESD保護應用主流器件知識介紹在ESD保護領域,目前主流的是哪幾類產品?這些產品的工作原理是什么?怎么選型?各種適用于哪些具體應用?他們
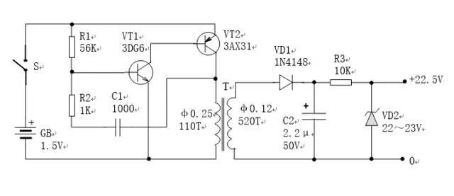
幾種常見的DC-DC升壓電路圖分享萬用表是從事電工、電子技術工作者的必備工具,它的高阻擋通常使用一塊9V、15A或22.5V的疊層電池。這種電池
解析阻容降壓電路應該用X2安規電容還是CBB電容在小家電控制等電路中,我們經常使用到阻容降壓電路,它的最大特點就是價格便宜,電路簡單,
大功率直流穩壓電源檢修程序分析開瑞大功率直流穩壓電源的使用方法很簡單,使用時,應注意所需直流電壓的極性。測試的主要內容有:輸出電壓
不同開關穩壓器拓撲的噪聲特性介紹目前存在許多不同的開關穩壓器拓撲。有些拓撲應用十分廣泛,例如經典的降壓型轉換器,也稱為降壓轉換器。
TVS管電壓與電流的關系介紹TVS管是普遍使用的一種新型高效電路保護器件,它具有極快的響應時間(亞納秒級)和相當高的浪涌吸收能力。當它的
常見直流穩壓電源的特點對比穩壓電源模塊是一種能給負載設備提供穩定交流電或直流電的電源裝置,分為交流穩壓電源和直流穩壓電源,主要由電
穩壓電源模塊的組成與指標穩壓電源模塊是一種能給負載設備提供穩定交流電或直流電的電源裝置,分為交流穩壓電源和直流穩壓電源,主要由電源
UPS電源與穩壓器的作用一樣嗎穩壓器和UPS電源的作用一樣嗎?隨著現在市場上用電設備越來越多,穩壓器和UPS電源的使用范圍都很廣泛,很多覺得