傳真:
18923864027
QQ:
709211280
地址:
深圳市福田區振中路84號愛華科研樓7層
電阻的作用知識介紹電子產品中無一不需要用到電子元器件,電阻就是其中一種,它是一種線性元件,在電路中主要用途有:限流、降壓、分壓、分
如何識別合金電阻質量好壞非常實用的電阻合金難以控制厚膜電阻的溫度系數,一般較大,但由于方塊電阻非常低的溫度系數,如5PPM ℃、10PPM
解析壓敏電阻損壞的原因壓敏電阻的失效模式主要是短路,不過,短路并不會引起壓敏電電阻損壞,因為電阻是并在電源正負入口的;保險是好的證
貼片電阻和貼片電容的區別有哪些遇到貼片電阻跟貼片電容這兩者是有區別的,貼片電阻跟貼片電容的阻值是有區別的,今天分享貼片電阻跟貼片電
解析貼片電阻是用哪些材料組成貼片電阻耐潮濕,高溫,溫度系數小,其普遍應用在SMT。插件電阻,電阻器在日常生活中一般被稱為電阻。在電路
電阻符號和工作原理介紹導體中對電流阻礙起作用的被稱為電阻。電阻代號:R電路符號:符號1符號2電阻單位:Ω(歐姆)電阻計算:(1)R
保險絲正常電阻是多大的,常見用作保險絲的電阻有哪幾種在我們的生活中,電的使用是不可缺少的,說起電其中電阻的討論也是不可缺少的。 有
判斷是不是合金電阻的方法介紹判斷是不是合金電阻如下:(1)直接的標準方法容易理解。 在小數點數字標記的鑒定困難的玻璃釉復合電阻直坐
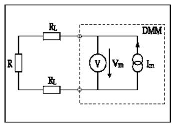
兩線制電阻與四線制電阻測量的定義兩線制電阻測量儀器在測量未知電阻R時,要通過測試線向被測電阻發送電流,然后測量被測電阻R兩端的壓降,
貼片電阻的結構組成介紹貼片電阻在日常生活中已經非常常見,常見用電子產品當中,在微電子集成電路中以及分立元件中也有廣泛的應用。貼片電
萬用表測量電阻知識介紹萬用表測量電阻利用萬用表測量電阻對于工程師們來說,是一種非常基礎的工作,也同樣是新人工程師們需要扎實掌握的。
合金電阻對比純金屬電阻那個比較大簡析合金電阻比純金屬電阻小的合金密度大,分子嚴格,但純金屬內分子實際上相互排斥分解,只是時間慢。并