傳真:
18923864027
QQ:
709211280
地址:
深圳市福田區振中路84號愛華科研樓7層
二極管基礎知識介紹首先說一下二極管的導通壓降的問題,念書的時候老師為了讓我們少動腦筋,就直接告訴我們二極管硅管的導通壓降是0 7V。記
二極管反向截止的條件介紹二極管是只有一個PN結的半導體器件,具有單向導電性,只有在正向導通時,才允許電流通過,當二極管處于反偏狀態時
怎么巧妙運用二極管的導通壓降現在常用的1N4148、1N4001這類小功率硅二極管的正向壓降一般在0 6~0 7V左右,在電路設計中巧妙使用二極管的正
二極管反向恢復時間介紹開關從導通狀態向截止狀態轉變時,二極管或整流器在二極管阻斷反向電流之前需要首先釋放存儲的電荷,這個放電時間被
快恢復二極管與超快恢復二極管的區別快恢復二極管(FRD)能夠迅速由導通狀態過渡到關斷狀態的PN結整流二極管,稱為快恢復二極管,這種二極
快恢復二極管的特性與快恢復二極管的選用在膽機制作中,一般采用電子二極管進行全波整流,但全波整流需要電源變壓器次級有對稱的兩個高壓繞
二極管的串聯與并聯參數選擇在高電壓或大電流的情況下,如果手頭沒有承受高電壓或整定大電濾的整流元件,可以把二極管串聯或并聯起來使用。
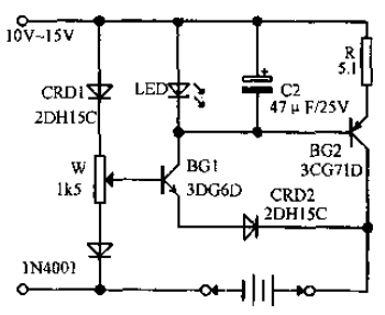
采用恒流二極管的恒流充電器介紹該恒流充電器使用了一只恒流二極管,電路見下圖:工作原理:充電開始時,電池電壓較低,三極管BG1基極電位
肖特基二極管在電路中的作用及應用解析在電子行業中,幾乎每個工程師都知道肖特基二極管,但是你真的了解其內部結構、作用、應用領域及為什
二極管的導電特性介紹二極管最重要的特性就是單方向導電性。在電路中,電流只能從二極管的正極流入,負極流出。下面通過簡單的實驗說明二極
肖特基二極管,快恢復二極管與超快恢復二極管的區分肖特基二極管利用了肖特基,來對金屬或半導體接觸面上的反向電壓來進行阻擋,從而讓電流
怎么判斷肖特基二極管的正負極一般普通的插針二極管可以通過管腳的長短或看草帽里面片的面積來判斷正負極,普通的貼片式二極管可以根據上面