傳真:
18923864027
QQ:
709211280
地址:
深圳市福田區振中路84號愛華科研樓7層
防止DC電源輸入反接的4種方法介紹電源是PCB板的重要部分,每個芯片都需要電源供給。芯片其實是挺脆弱的,只要正負接反得話,大多數就會掛掉
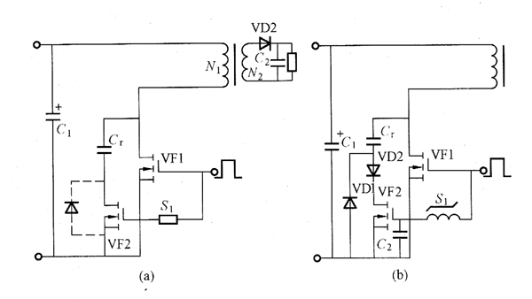
控制吸收電容充放電的電路圖解圖(a)所示電路中,VF1是一次側主MOSFET,來自PWM集成控制器的脈沖使其通/斷工作。為使VF2的通/斷時間與VF
直流電路串聯整流二極管后,電壓會怎么變化直流電路中串聯整流二極管后,電壓會下降,下降多少根據二極管的類型而定,硅管一般為0 7V,鍺管
晶閘管或硅控整流器的基本知識與特點一般來說,在設計電子工程和一般電路時,我們使用許多電氣和電子元件。這些基本組件包括電阻器,晶體管
了解穩壓管正常工作時處于什么狀態穩壓管正常工作時處于反向擊穿狀態,該區間是可恢復的。不要誤以為看到擊穿兩個字就認為是器件損壞了。穩
整流橋堆全橋的性能好壞檢測方法介紹大多數的整流全橋上均標注有+、一、~符號(其中+為整流后輸出電壓的正極,一為輸出電壓的負極,兩個~
穩壓二極管識別以及檢測穩壓二極管是電子電路特別是電源電路中常見元器件之一,與普通二極管不同的是,它常工作于PN結的反向擊穿區,只要其
功率MOSFET場效應管的主要特點介紹場效應管是根據三極管的原理開發出的新一代放大元件,功率MOSFET場效應管具有負的電流溫度系 數,可以避
了解電路中IN4148的作用1N4148與3 3V反接,有何用途,穩壓,反相導通?另:如果我想讓5V的輸出電壓更加穩定,能否在輸出反相并聯一個5V的肖
開關二極管實用知識與應用電路分析用于電子開關電路中的二極管稱為開關二極管。開關二管同普通的二極管一樣,也是一個PN結的結構,不同之處
二極管與穩壓二極管在步進電機驅動電路中的作用二極管與穩壓二極管,改善電機驅動特性步進電機因是脈沖驅動,當晶體管OFF 時為防止線圈所生
開關電源輸出整流二極管為什么要并聯一只電容與電阻前兩天我對二極管的特性作了一個深入的分析,也就是:二極管的單向導電不是絕對的,不管