傳真:
18923864027
QQ:
709211280
地址:
深圳市福田區振中路84號愛華科研樓7層
MOS場效晶體管-功率場效晶體管結構及工作原理功率場效應晶體管(P-MOSFET)簡稱功率MOSFET,是使用大都載流子導電的半導體器材,且導通時只
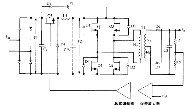
變壓器輔助緩沖器介紹變壓器輔助緩沖器圖中的電路可以顯著減小甚至消除 RCD 緩沖器的變壓器漏感尖峰 ,而且不需要增大電(緩沖電容的增
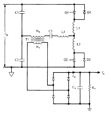
全橋拓撲?的工作原理全橋變換器如圖 3 3 所示,其輸入與半橋變換器相同 ,采用倍壓全橋切換整流電路 。 全橋拓撲可用于構成接 440V
開關電源半導體芯片圖三端單片性能特點三端單片開關電源芯片是目前國際上正在流行的新型開關電源芯片。專業從事電源半導體芯片設計和生產的
線性電源的性能知識電路主要包括輸入電網濾波器。輸入整流濾波器、逆變器、輸出整流濾波器。控制電路、保護電路。它們的功能介紹如下。(1)
體二極管的N型MOSFET圖解MOSFET管的內部構造中,漏柵源三個極之間存在一個固有的寄生二極管,如圖9 18所示。體二極管的極性能夠阻止反向電
SCR諧振橋式拓撲概述諧振型半橋電路 ( 圖 6 10 ) 和全橋電路 ( 圖 6 11 ) 是最有用的 SCR 電路。半橋電路僅用 兩個額定有
減緩開關管電壓圖解除了可以減緩開關電壓條件管電壓的上升速度 ,緩沖器的另一個很重要的優點是減小了開關管的 均勻損耗,避免了二次擊穿
電源的功率因數校正知識在開關電子元件調整器范疇 ,任何使輸入電網電流為非正弦 ,或即便是正弦波但和正弦輸入電壓 不同相位 ,或使輸
buck電流饋電全橋拓撲知識buck電流饋電全橋拓撲逐個根本工作原理這種拓撲如圖 所示。它與圖所示的 buck 電壓饋電全橋電路相似,同樣沒有
開關電路與原理詳情開關電源的電路組成如下:開關電源的主要電路是由輸入電磁干擾濾波器(EMI)、整流濾波電路、功率變換電路、PWM控制器電
基準電壓的電源知識因為NMOS耗盡管的閾值電壓為負值,并且具有負溫度系數,因此由式(1)可知,耗盡管電流隨溫度上升而變大。同時將該輸出接