傳真:
18923864027
QQ:
709211280
地址:
深圳市福田區振中路84號愛華科研樓7層
發光二極管-LED發光二極管符號與類型隨著技術的進步和引入更多LED類型,發光二極管,LED的使用是巨大的并且它們的使用正在增長。發光二極管
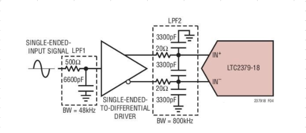
如何選擇合適的放大器關于怎么選擇合適的放大器是很多客戶關注的問題,在應用當中我們應該要采用什么樣的放大器才能滿足生產的需求,達到品
電容器的作用符號-公式與電容等知識電容器的定義電容器是一種用于存儲電能的電子設備。它們僅用于存儲電子,并且不能產生電子。電容器的發
金屬氧化物壓敏電阻的組成-特性與操作壓敏電阻電流與氧化鋅(ZnO)和碳化硅(SiC)器件的電壓曲線圖最常見的現代型壓敏電阻是金屬氧化物壓
金屬氧化物壓敏電阻(MOV)的基礎知識-工作原理-規格與作用壓敏電阻的基礎知識壓敏電阻 電壓相關電阻(VDR)是一種具有電壓特性的元件,其電
電阻器基礎知識詳情電阻基礎知識1 電阻的作用是限制流經電路中的電流。2 電阻以歐姆為單位測量,并給出符號Ω。3 Carbon,Film
五色環電阻計算器使用方法詳情無色環電阻示例圖色環電阻計算器圖介紹電阻器可能是電路中最常用的構建模塊。電阻器有多種形狀和尺寸,該工具
什么是MOS管-MOS管結構原理圖析什么是mos管mos管是金屬(metal)—氧化物(oxide)—半導體(semiconductor)場效應晶體管,或者稱是金屬—
光電晶體管工作原理電路圖-優點與應用等基礎知識什么是光電晶體管?光電晶體管是一種電子開關和電流放大部件依賴于暴露于光下操作。光電晶
壓敏電阻器(MOV)基本參數與選型指南壓敏電阻一般指用氧化鋅(ZnO)等金屬氧化物材料制作的電壓敏感元件。與氣體放電管(GDT)、瞬態電壓抑
開關穩壓器工作原理與類型與線性穩壓器相比,開關穩壓器在設計,結構和操作方面有所不同。在開關穩壓器中,通過控制反饋電路的開關時間(包
怎么選擇NTC熱敏電阻負溫度系數NTC熱敏電阻由燒結金屬氧化物制成。它們與溫度的小幅增加成比例地顯示出大的電阻降低。通過將一個小的測量直