傳真:
18923864027
QQ:
709211280
地址:
深圳市福田區振中路84號愛華科研樓7層
固態繼電器的類型和應用詳解固態繼電器(SSR)是一種由半導體制成的電子開關設備,可在其控制端子上使用低電壓來切換(開和關)高壓電路。與具
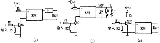
固態繼電器的應用電路圖解相信大家都知道,固態繼電器是用分離的電子元器件、集成電路(或芯片)及混合微電路技術結合發展起來的一種具有繼電
保險絲的組成和工作原理介紹保險絲其目的用于保護當時昂貴的白熾燈,但隨著時代的發展,保險絲被用來保護電力設備不受過電流過熱的傷害,從
保險絲是用什么材料制作的保險絲也被稱為熔斷器,在國際標準中將它定義為熔斷體,它是一種安裝在電路中,保證電路安全運行的電器元件。現在
自恢復保險絲的原理詳細介紹自恢復保險絲是一種過流電子保護元件,采用高分子有機聚合物在高壓、高溫,硫化反應的條件下,摻加導電粒子材料
保險絲熔斷的原因與解決方法詳解保險絲是一種保護裝置,可以保護電子設備不受過電流的傷害,也可避免電子設備因內部故障所引起的嚴重傷害。
保險絲,怎么選擇保險絲隨著時代的發展,保險絲保護電力設備不受過電流過熱的傷害,避免電子設備因內部故障所引起的嚴重傷害。通常串聯在電
基于SOA的光保險絲設計介紹幾乎每一個電氣設備都有一個過流保護開關,即保險絲。而在現代通信網中起著傳輸作用的光纖通信因為缺少這樣一個
單片機的電子直流保險絲設計圖解隨著電子產品的不斷更新,保險絲作為電子產品保護裝置的關鍵元件,其市場需求將會一直存在并不斷增長,市場
晶振的結構,晶振的工作原理與晶振作用晶振是每個單片機系統里都要用到的時鐘元件,全稱叫晶體震蕩器,在單片機系統里晶振的作用非常大,其
晶振與晶體有什么區別晶振是有源晶振的簡稱,又叫振蕩器。英文名稱是oscillator。晶體則是無源晶振的簡稱,也叫諧振器。英文名稱是crystal
介紹晶振的分類有哪些隨著科學技術的迅猛發展,人們對電子產品的需求越來越強烈,晶振的作用也就越來越大。在這個電子信息時代,只要跟頻率