傳真:
18923864027
QQ:
709211280
地址:
深圳市福田區振中路84號愛華科研樓7層
采用多種EDA工具的FPGA設計圖解如今,片上系統(SoC)技術的出現在數字系統設計引起變動;為適應產品盡快上市的要求,設計者必須合理選擇各EDA
濾波器的原理和作用詳解濾波器是什么?濾波器是對波進行過濾的器件,一般有兩個端口,一個輸入信號、一個輸出信號。可以說它是重要的電子元
濾波器的分類與特點圖解濾波器是一種選頻裝置,可以使信號中特定的頻率成分通過,而極大地衰減其它頻率成分。在測試裝置中,利用濾波器的這
電源濾波器的工作原理與作用介紹隨著電子設計、計算機與家用電器的大量涌現和廣泛普及,電網噪聲干擾日益嚴重并形成一種公害。特別是瞬態噪
基于分布式算法的低通FIR濾波器設計詳解傳統數字濾波器硬件的實現主要采用專用集成電路(ASIC)和數字信號處理器(DSP)來實現。FPGA內部的功能
怎么選擇濾波器濾波器被廣泛應用在開關電源、智能控制器、家用電器等各種電源及設備上,其是由電容、電感和電阻組成的濾波電路,可以使信號
FIR濾波器的原理與特點介紹在現代電子系統中,到處都可以看到數字信號處理( DSP )的應用,從MP3播放器、數碼相機到手機。在這些數字信號
數字濾波器的工作原理介紹在信號處理領域中,對于信號處理的實時性、快速性的要求越來越高。而在許多信息處理過程中,如對信號的過濾、檢測
FIR濾波器與IIR濾波器的區別圖解由于數字濾波器具有穩定性高、精度高、設計靈活、實現方便等許多突出的優點,因此廣泛應用于硬件電路設計,
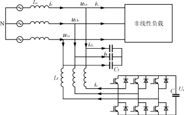
有源濾波器的原理和作用詳解近幾年來,配電網中整流裝置、變頻調速裝置、工業電源以及各種電力電子裝置不斷曾加,造成了負荷的非線性、不平
有源電力濾波器的分類介紹由于無源濾波器特性受系統參數影響大,只能消除特定的幾次諧波,過載能力小,對系統阻抗和頻率變化的適應性較差,
電源濾波器電路設計圖詳解電源濾波器,又名電源EMI濾波器,或是EMI電源濾波器,是一種無源雙向網絡,是一種對電源中特定頻率的頻點或該頻點