傳真:
18923864027
QQ:
709211280
地址:
深圳市福田區振中路84號愛華科研樓7層
二極管橋式整流器的原理優缺點我們使用的大多數設備都是AC設備。它們需要交流電源才能運行。我們沒有太多適用于直流電源的設備。但隨著電子
肖特基二極管常見型號參數與作用區別一、肖特基二極管特性1、肖特基(Schottky)二極管的正向壓降比快恢復二極管正向壓降低很多,所以自身
肖特基二極管和普通二極管的應用區別肖特基二極管的特點肖特基二極管的最大特點是正向壓降小,反向恢復時間短。其反向恢復時間已能縮短到10
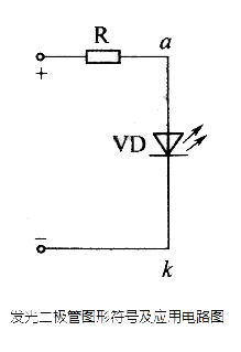
發光二極管電路圖符號的應用知識發光二極管是什么發光二極管可能對于一些人來說是比較陌生的,但是它廣泛的應用在我們生活電子中,比如最常
二極管型號分類與二極管電路符號及作用解析整流二極管電路符號及作用在二極管電路應用中,整流二極管是最為常見的,整流二極管的工作原理是
二極管型號分類與二極管電路符號及作用解析隧道二極管電路符號及作用隧道二極管又名江崎二極管,是以隧道效應電流為主要電流分量的二極管,
穩壓二極管的結構與特性穩壓二極管(也稱為齊納二極管)是通過特殊工藝制造的結型硅半導體二極管,其代表性符號如(a)所示。這種管的雜質
普通貼片二極管的識別知識(1)普通貼片二極管的正極和負極區分貼片二極管的正極和負極。通常,可以觀察管的外殼。當外殼明顯磨損時,萬用
SMD貼片二極管5820與5822有什么區別貼片二極管,也稱為晶體二極管,被稱為二極管。此外,還有早期的電子真空二極管,它是一種具有單向傳導
分析二極管的特點有哪些二極管是什么?有哪些特點可以更好的去認識?相信各位都知道二極管是一種具有兩個電極的裝置,由P型半導體和N型半導
外接TVS二極管為IC芯片提供無限ESD保護功能瞬態電壓抑制二極管(Transient Voltage Suppression iode)也稱作TVS二極管,是一種提高EMI
開關二極管的結構和特點開關二極管是半導體二極管的一種,是指具有開關功能的二極管。此二極管具有正向施加電壓時電流通過 (ON),反向施加