傳真:
18923864027
QQ:
709211280
地址:
深圳市福田區振中路84號愛華科研樓7層
逆變器的作用-逆變器的線路架構與逆變器的電氣參數對LCD的影響逆變器的線路架構1、ROYER架構:線路較簡單但效率偏低,一般只有70%多,目前較少
逆變器工作原理-逆變器原理圖與逆變器故障分析本文主要講逆變器工作原理。逆變器是把直流電能(電池、蓄電瓶)轉變成定頻定壓或調頻調壓交
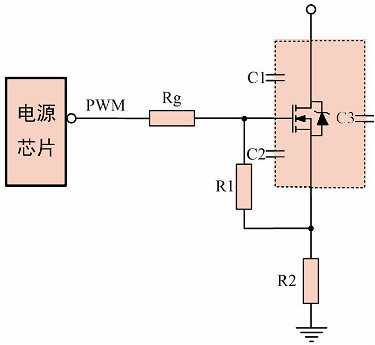
鋰電池保護電路中功率MOS管的作用-結構與應用特點通常,由于磷酸鐵鋰電池的特性,在應用中需要對其充放電過程進行保護,以免過充過放或過熱
逆變器-逆變器使用注意事項匯總本文主要是講逆變器使用注意事項大全,具體如下:1、直流電壓要一致每臺逆變器都有接入直流電壓數值,如12V
逆變器原理電路圖解-12V直流變成220V交流電逆變器逆變器原理電路解析,將12V直流變成220V交流電。逆變器是把直流電能(電池、蓄電瓶)轉變
逆變器原理-逆變器基本原理與特點詳解逆變器本文主要講逆變器原理,逆變器是把直流電能(電池、蓄電瓶)轉變成定頻定壓或調頻調壓交流電(
十大最常用電子元器件有哪些與元器件知識解析十大最常用電子元器件有哪些及元器件知識解析 ,對于從事電子行業的工程師來說,電子元器件就
電子元器件-電子元器件損壞的原因解析電子元器件損壞的原因你知道多少?一切電子裝置如洗衣機、冰箱、空調、計算機、儀器、儀表、汽車電子
晶體管之BJT、FET、CMOS、HBT、HEM圖分析咱們常用的有場效應晶體管FET,Field Effect Transistor,是一種單極型晶體管。利用的一個PN結完
半導體封裝技術知識-詳解半導體封裝技術半導體封裝技術本文主要講半導體封裝技術,電子封裝是集成電路芯片生產完成后不可缺少的一道工序,
如何為MOS管選擇最適合的驅動電路-MOS管作用及特性詳解MOS管的作用1 MOS管可應用于放大。由于場效應管放大器的輸入阻抗很高,因此耦合電容
集成電路-專用集成電路(ASIC)-優缺點等知識電子產品生產革命的一項技術是 集成電路 。該技術通過增加每個芯片的邏輯門密度來減小電子產品