傳真:
18923864027
QQ:
709211280
地址:
深圳市福田區振中路84號愛華科研樓7層
變頻空調電阻器-晶體二極管檢測方法介紹電阻器檢測在電路中對電流有阻礙作用并且造成能量消耗的部分稱為電阻器,簡稱電阻。電阻器的英文縮
整流二極管的工作與反向恢復原理1、二極管從正向導通到截止有一個反向恢復過程在上圖所示的硅二極管電路中加入一個如下圖所示的輸入電壓。
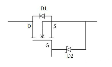
MOSFET二極管保護電路解析MOSFET在應用時通常有如下圖所示的D1,D2二極管電路,很多人都有疑問:兩個二極管究竟起什么作用呢?1,D1為MOSFE
二極管模塊技術選型知識二極管模塊技術選型鑄造輝煌,IGBT硅片的結構與功率MOSFET的結構分相似,主要差異是IGBT增加了P+基片和一個N+緩沖層(
肖特基二極管的知識介紹提到低功耗、大電流、超高速半導體器件,很多工程師同學肯定能首先想到肖特基二極管(SBD)。但是你真的會用肖特基
常用二極管的性能、參數與替代常見的二極管有許多種。從功能上分有:整流(如1N4007)、濾波(2AP9)、穩壓(1N4742)。從開關速度上分有
二極管與門電路的原理圖解如圖:為二極管與門電路,Vcc = 10v,假設3v及以上代表高電平,0 7及以下代表低電平,下面根據圖中情況具體分析
晶體二極管的識別與簡易檢測方法晶體二極管一般可用到十萬小時以上。但是如果使用不合理,它就不能充分發揮作用,甚至很快地被損壞。要合理
幫助初學者認識二極管二極管是電子電路的最基本元件,最初學習二極管知識的朋友們,可能有點摸頭不知腦。下面就給朋友們介紹一些簡單直觀的
識別和檢測二極管、晶閘管今天我們就一起來學習-識別和檢測二極管、晶閘管。共有四個任務:識別二極管;檢測二極管;識別晶閘管;檢測晶閘
IGBT模塊上的續流二極管解析IGBT 模塊上有一個續流二極管。它有什么作用呢?當 PWM 波輸出的時候,它是維持電機內的電流不斷用的。我在
功率二極管的幾個知識點介紹1 什么是二極管的正向額定電流?二極管的額定電流是二極管的主要標稱值,比如5A 100V的二極管,5A就是額定電