對于三極管電路的反饋類型的判斷,往往讓人感到有點困難。
下面給出一種常用的判斷方法:
一:電壓反饋還是電流反饋
若輸出端的反饋取樣點跟輸出電壓u0的正極在同一點的話就是電壓反饋,不在同一點的話就是電流反饋。
二:串聯反饋還是并聯反饋
在輸入端,如果反饋信號和輸入信號ui的正極接在同一輸入端就是并聯反饋,否則就是串聯反饋。
三:正反饋還是負反饋
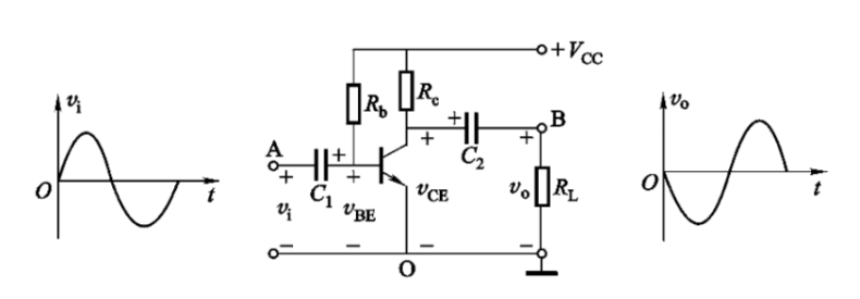
判斷正負反饋是根據信號的瞬時相位來進行判斷的,反饋回路兩端的電壓極性同相為正,反相為負。圖1表示基極電壓相位和集電極反相,和發射極相同。

圖1
下面各舉一例加以說明
一:電壓串聯負反饋

圖2
1:反饋支路Rf的右端直接連接在Uo的正極,所以是電壓反饋。
2:反饋支路Rf的左端沒有與Ui的正極相連,所以是串聯反饋。
3:對于反饋電阻Re1,按照圖1的規則,假設Ui的瞬時極性其上端為正,則Re1的上端為正,下端為負(接地),所以為負反饋。
二:電壓并聯負反饋

圖3
1:反饋電阻Rf的右端直接連接在Uo的正極,所以是電壓反饋。
2:反饋電阻Rf的左端直接與Ui的正極相連,所以是并聯反饋。
3:按照圖1的規則,Rf兩端的電壓極性相反(基極與集電極),所以為負反饋。
三:電流并聯負反饋

圖4
1:反饋電阻Rf的右端沒有連接在Uo的正極,所以是電流反饋。
2:反饋電阻Rf的左端直接與Ui的正極相連,所以是并聯反饋。
3:按照圖1的規則,Rf兩端的電壓極性相反,所以為負反饋。
四:電流串聯負反饋

圖5
1:反饋電阻Re的上端沒有連接在Uo的正極,所以是電流反饋。
2:反饋電阻Rf的上端也沒有直接與Ui的正極相連,所以是串聯反饋。
3:Rf兩端的電壓極性相反(下端接地),所以為負反饋。
〈烜芯微/XXW〉專業制造二極管,三極管,MOS管,橋堆等,20年,工廠直銷省20%,上萬家電路電器生產企業選用,專業的工程師幫您穩定好每一批產品,如果您有遇到什么需要幫助解決的,可以直接聯系下方的聯系號碼或加QQ/微信,由我們的銷售經理給您精準的報價以及產品介紹
聯系號碼:18923864027(同微信)
QQ:709211280

