正激電路是指能夠發生正激現象的電路,正激是當變壓器原邊開關管導通時同時能量被傳遞到負載上,當開關管截止時變壓器的能量要通過磁復位電路去磁的現象。
正激電路拓補結構多種多樣,根據驅動管子個數,可分為單管正激,雙管正激;根據磁芯復位技術的不同,可分為輔助磁通繞組復位,LCD 緩沖網絡復位,RCD 箝位復位,有源箝位復位;根據拓補結構的形式不同,可分為單個變換器和串、并組合變換器。
在各種間接直流變流電路中,正激 DC/DC 變換器具有電路拓撲結構簡單,輸入輸出電氣隔離,電壓升、降范圍寬,易于多路輸出等優點,因此被廣泛應用于中小功率電源變換場合,尤其在供電電源要求低電壓大電流的通訊和計算機系統中,正激電路更能顯示其優勢。
但是在開關關斷期間,高頻變壓器必須磁芯復位,以防變壓器鐵心飽和,因此必須采用專門的磁復位電路。正是由于磁復位技術的多樣性,以及軟開關技術的發展,導致正激電路拓補結構的多樣性。隨著電力電子技術的發展,各種新的正激電路拓補結構不斷出現,不同的拓補結構已有二十余種。
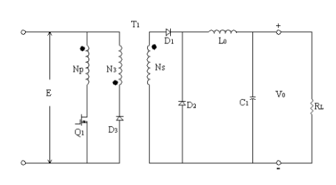
單端正激電路工作原理


如圖:Q1導通時,副邊二極管D1導通,D2截止,電網通過變壓器T1向負載RL輸送能量,此時輸出濾波電感L0儲存能量。
當Q1截止時,電感的儲能通過續流二極管D2向負載釋放,D1截止。N3與二極管D3串聯起到去磁復位的作用。
注意:復位繞組對變壓器工藝的要求,要求耦合好又要絕緣好。還有其它形式復位電路如RCD復位電路LCD復位電路。


NS/NP為副邊原邊匝比
TON/T為導通時間與周期的比,即導通占空比
E為原邊繞組電壓
正激電路的設計
設計前我們要給定電路設計的一些指標參數,總結為:
1、開關頻率
2、輸入電壓范圍:Vin min—Vin max
3、輸出負載范圍:Io min—Io max
4、輸出電壓范圍:Vo min—Vo max
5、濾波電感電流的紋波: △ILf
6、輸出電壓紋波:△Vo
第一步:工作頻率的確定
工作頻率對電源體積以及特性影響很大,必須很好地選擇。
工作頻率高時,輸出濾波器和輸出變壓器可小型化,過渡響應速度快。但主開關元件、輸出二極管、輸出電容以及輸出變壓器的磁芯,還有電路設計等都受到限制。另外,還要注意輸出變壓器繞組匝數。
第二步:最大導通時間(Ton max)的確定。
Ton max=T×Dmax
對于正向激勵D選為0.4~0.45較適宜。Dmax是設計電路時的一個重要參數,它對主開關元件,輸出二極管的耐壓與輸出保持時間,輸出變壓器以及輸出濾波器的大小,變換效率等都有很大影響。
第三步:變壓器次級輸出電壓的計算


Vs min:變壓器次級最低電壓
Vo max:最大輸出電壓
VL:電感線圈壓降
VF:輸出側二極管的正向壓降


另外,功率開關器件電流電壓耐量的確定,變壓器原副邊繞組線徑的確定。
〈烜芯微/XXW〉專業制造二極管,三極管,MOS管,橋堆等,20年,工廠直銷省20%,上萬家電路電器生產企業選用,專業的工程師幫您穩定好每一批產品,如果您有遇到什么需要幫助解決的,可以直接聯系下方的聯系號碼或加QQ/微信,由我們的銷售經理給您精準的報價以及產品介紹
聯系號碼:18923864027(同微信)
QQ:709211280

