功率因數定義為設備能夠傳輸到輸出端的能量與其從輸入電源處獲取的總能量之比。
對于一個整流電路,在輸出端都會并聯一個濾波電容(或者一排電容),以讓輸出的直流能更平滑,然而濾波電容會造成交流輸入電壓與輸入電流間的相位偏移。我們都知道功率因數的定義為有效功率與視在功率的比值,如果AC電壓和電流間的相位差為φ,那么功率因數(PF)=cosφ。如果想要提高電路的效率,那就必須想辦法提高PF。然而,對于整流電路,只有當AC電壓大于濾波電容兩端電壓Vc時,才會有輸入電流,這種特性就造成了AC電流波形完全從正弦波偏離,會極大地影響功率因數。為了盡量使AC電流變回正弦波,我們引入了PFC電路。
功率因數低主要原因:
位移:當電路的電壓和電流波形異相時會產生位移,通常是由電感或電容等電抗元件引起的。
失真:波的原始形狀發生改變,通常是由整流器等非線性電路引起的。這些非線性波包含很多諧波含量,會使電網中的電壓失真。
功率因數校正(PFC)是一系列嘗試提高設備功率因數的方法。
解決位移問題,通常采用外部無功元件來補償電路的總無功功率。
解決失真問題有兩種方法:
無源功率因數校正(PFC):使用無源濾波器濾除諧波以提高功率因數。這種方法適用于低功率應用,在高功率應用中,其效果遠遠不夠。
有源功率因數校正(PFC):使用開關變換器調制失真波,以將其整形為正弦波。整形后的信號中存在的唯一諧波位于開關頻率處,因此很容易濾除。有源功率因數校正被認為是最好的功率因數校正方法,但會增加設計的復雜性。
功率因數校正電路分享
PFC應用電路
MPS提供的MP44010控制器:BCM功率因數校正器。當連接到升壓變換器時,其ZCS引腳檢測電感何時放電并激活MOSFET(如圖中的Q1)。該器件還可以比較電流和電壓,調整電流峰值以跟隨輸入電壓的波形。


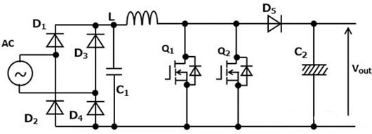
MOSFET并聯型PFC(PFC with parallel MOSFETs)
使用多個MOSFET并聯能夠支持大電源輸入,因為電流會被分流,也同時減小了開關損耗。對于每個MOSFET,必須保證它們的電氣特性和驅動條件相同。

〈烜芯微/XXW〉專業制造二極管,三極管,MOS管,橋堆等,20年,工廠直銷省20%,上萬家電路電器生產企業選用,專業的工程師幫您穩定好每一批產品,如果您有遇到什么需要幫助解決的,可以直接聯系下方的聯系號碼或加QQ/微信,由我們的銷售經理給您精準的報價以及產品介紹

〈烜芯微/XXW〉專業制造二極管,三極管,MOS管,橋堆等,20年,工廠直銷省20%,上萬家電路電器生產企業選用,專業的工程師幫您穩定好每一批產品,如果您有遇到什么需要幫助解決的,可以直接聯系下方的聯系號碼或加QQ/微信,由我們的銷售經理給您精準的報價以及產品介紹
聯系號碼:18923864027(同微信)
QQ:709211280

