BZX84C12,BZX84C12穩壓二極管,BZX84C12參數
BZX84C12穩壓二極管,BZX84C12絲印Y2,12V型號BZX84C12參數,BZX84C12封裝SOT-23規格書
BZX84C12穩壓二極管,BZX84C12絲印Y2,12V型號BZX84C12參數,BZX84C12封裝SOT-23規格書

BZX84C12 SOT-23參數封裝:點擊查看


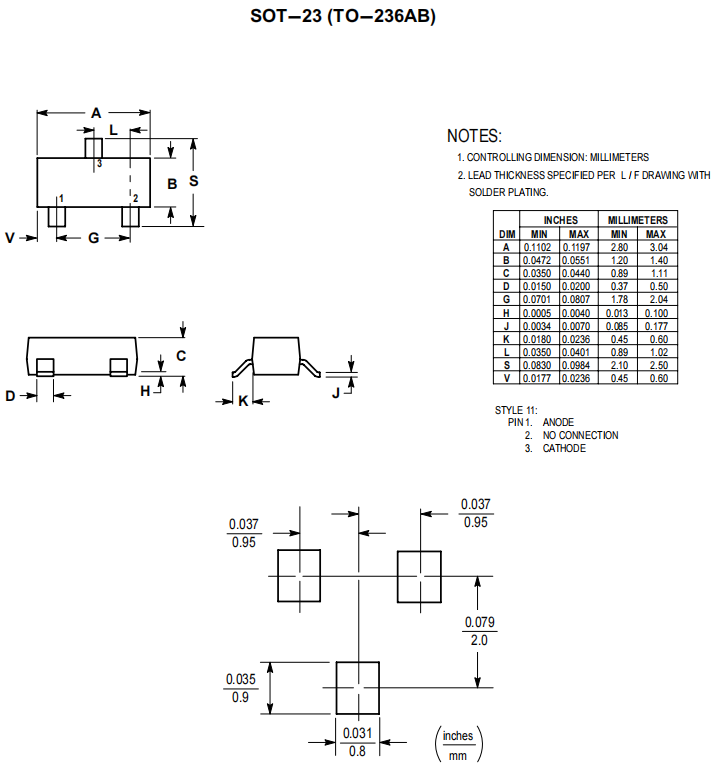
BZX84C12封裝為SOT-23
BZX84C12穩壓二極管參數如下:
Power Dissipation 功率 PD:300mW
Zener Voltage Range 齊納電壓 Nom:12V
Zener Voltage Reverse Current 齊納電壓反向電流 IZT:5mA
Zener Impedance Maximum Zener Impedance 齊納阻抗最大齊納阻抗:ZZT(at IZT) :25Ω
Forward Voltage 正向電壓 VF:0.95V
Leakage Current Reverse Leakage Current 反向漏電流 IR:0.1μA
Operating and Storage Temperature Range 操作和儲存溫度范圍 Tj, TSTG:-55to+150℃
BZX84C12穩壓二極管SOT-23封裝尺寸:


〈烜芯微/XXW〉專業制造二極管,三極管,MOS管,橋堆等,20年,工廠直銷省20%,上萬家電路電器生產企業選用,專業的工程師幫您穩定好每一批產品,如果您有遇到什么需要幫助解決的,可以直接聯系下方的聯系號碼或加QQ/微信,由我們的銷售經理給您精準的報價以及產品介紹
聯系號碼:18923864027(同微信)
QQ:709211280


