HT7233-1三端穩壓器參數,HT7233-1引腳圖,HT7233-1中文資料
HT7233-1三端穩壓器參數,HT7233-1三端穩壓器輸出3.3V,HT7233-1為LDO線性穩壓器IC,HT7233-1中文資料,HT7233-1引腳圖和參數
HT7233-1三端穩壓器參數,HT7233-1三端穩壓器輸出3.3V,HT7233-1為LDO線性穩壓器IC,HT7233-1中文資料,HT7233-1引腳圖和參數

HT7233-1三端穩壓器參數規格書:點擊查看

HT7233-1三端穩壓器,SOT-89封裝參數如下:
Maximum output current IOM 最大輸出電流:300mA
Input Voltage 輸入電壓VI:10V
Output voltage 輸出電壓VO:3.3V
Continuous total dissipation 連續總耗散 PD:500mW
Quiescent current 靜態電流Iss(VIN=Vout+1V):典型值=2uA
負載特性Vout(VIN=VOUT+2.0V 1mA≤IOUT≤300mA):典型值 37mV
輸入電壓 VIN:10V
壓差VDIF(IOUT =100mA):典型值 180mV
Operating junction temperature range 工作結溫范圍TOPR:-40 to+85℃
Storage Temperature Range 儲存溫度范圍TSTG:-50to+125℃
HT7233-1三端穩壓器,SOT-89封裝尺寸:


HT7233-1三端穩壓器,SOT23-5封裝尺寸:

HT7233-1三端穩壓器,SOT-23封裝尺寸:

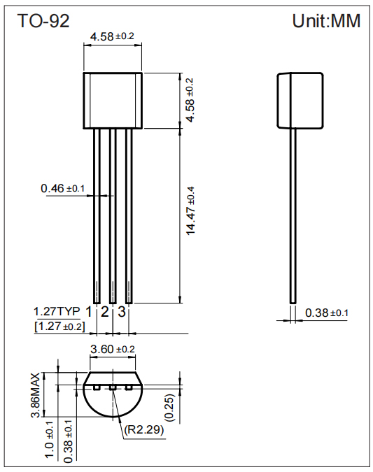
HT7233-1三端穩壓器,TO-92封裝尺寸:

〈烜芯微/XXW〉專業制造二極管,三極管,MOS管,橋堆等,20年,工廠直銷省20%,上萬家電路電器生產企業選用,專業的工程師幫您穩定好每一批產品,如果您有遇到什么需要幫助解決的,可以直接聯系下方的聯系號碼或加QQ/微信,由我們的銷售經理給您精準的報價以及產品介紹
聯系號碼:18923864027(同微信)
QQ:709211280


