KBL604整流橋,KBL604整流橋參數,KBL604規格書封裝PDF
KBL604整流橋6A 400V,KBL604封裝為KBL,KBL604整流橋參數,KBL604規格書封裝替代作用
KBL604整流橋6A 400V,KBL604封裝為KBL,KBL604整流橋參數,KBL604規格書封裝替代作用

KBL604整流橋參數規格書:點擊下載

KBL604整流橋參數具體如下:
Maximum repetitive peak reverse voltage VRRM最大重復峰值反向電壓:400V
Maximum DC blocking voltage VDC最大直流阻斷電壓:400V
Maximum average forward rectified current IF(AV) 最大平均正向整流電流:6A
Maximum instantaneous forward voltage drop per diode IFM=3A VF 3A時最大瞬時正向,每個二極管的壓降:1.1V
Maximum DC reverse current at rated DC blocking voltage per diode IRRM VRM=VRRM 最大直流反向電流,每個二極管的額定直流阻斷電壓:10uA
Operating temperature range TJ 工作溫度范圍:-55 to +150°C
storage temperature range TSTG 儲存溫度范圍:-55 to +150°C
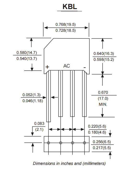
KBL604整流橋堆封裝,KBL封裝尺寸:

〈烜芯微/XXW〉專業制造二極管,三極管,MOS管,橋堆等,20年,工廠直銷省20%,上萬家電路電器生產企業選用,專業的工程師幫您穩定好每一批產品,如果您有遇到什么需要幫助解決的,可以直接聯系下方的聯系號碼或加QQ/微信,由我們的銷售經理給您精準的報價以及產品介紹
聯系號碼:18923864027
QQ:709211280


