• <td id="oqoqq"><kbd id="oqoqq"></kbd></td>
  • <noscript id="oqoqq"><kbd id="oqoqq"></kbd></noscript>
  • 您好!歡迎光臨烜芯微科技品牌官網!

    深圳市烜芯微科技有限公司

    ShenZhen XuanXinWei Technoligy Co.,Ltd
    二極管、三極管、MOS管、橋堆

    全國服務熱線:18923864027

  • 熱門關鍵詞:
  • 橋堆
  • 場效應管
  • 三極管
  • 二極管
  • 開關電源拓撲電路工作的細節介紹
    • 發布時間:2023-02-24 18:00:13
    • 來源:
    • 閱讀次數:
    開關電源拓撲電路工作的細節介紹
    講解幾種拓撲結構的工作細節
    降壓調整器:
    連續導電
    臨界導電
    不連續導電
    升壓調整器 (連續導電):
    變壓器工作
    反激變壓器
    正激變壓器
    Buck- 降壓調整器 - 連續導電
    開關電源 拓撲 工作
    電感電流連續。
    Vout 是其輸入電壓 (V1)的均值。
    輸出電壓為輸入電壓乘以開關的負荷比 (D)。
    接通時,電感電流從電池流出。
    開關斷開時電流流過二極管。
    忽略開關和電感中的損耗, D 與負載電流無關。
    降壓調整器和其派生電路的特征是:
    輸入電流不連續 (斬波), 輸出電流連續 (平滑)。
    Buck- 降壓調整器 - 臨界導電
    開關電源 拓撲 工作
    電感電流仍然是連續的,只是當開關再次接通時 “達到”零。
    這被稱為 “臨界導電”。
    輸出電壓仍等于輸入電壓乘以 D。
    Buck- 降壓調整器 - 不連續導電
    開關電源 拓撲 工作
    在這種情況下,電感中的電流在每個周期的一段時間中為零。
    輸出電壓仍然 (始終)是 v1 的平均值。
    輸出電壓不是輸入電壓乘以開關的負荷比 (D)。
    當負載電流低于臨界值時,D 隨著負載電流而變化(而 Vout 保持不變)。
    Boost 升壓調整器
    開關電源 拓撲 工作
    輸出電壓始終大于(或等于)輸入電壓。
    輸入電流連續,輸出電流不連續(與降壓調整器相反)。
    輸出電壓與負荷比(D)之間的關系不如在降壓調整器中那么簡單。在連續導電的情況下:
    開關電源 拓撲 工作
    在本例中,Vin = 5,
    Vout = 15, and D = 2/3.
    Vout = 15,D = 2/3.
    變壓器工作(包括初級電感的作用)
    開關電源 拓撲 工作
    變壓器看作理想變壓器,它的初級(磁化)電感與初級并聯。
    反激變壓器
    開關電源 拓撲 工作
    此處初級電感很低,用于確定峰值電流和存儲的能量。當初級開關斷開時,能量傳送到次級。
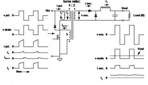
    Forward 正激變換變壓器
    開關電源 拓撲 工作
    初級電感很高,因為無需存儲能量。
    磁化電流 (i1) 流入 “磁化電感”,使磁芯在初級開關斷開后去磁 (電壓反向)。
    〈烜芯微/XXW〉專業制造二極管,三極管,MOS管,橋堆等,20年,工廠直銷省20%,上萬家電路電器生產企業選用,專業的工程師幫您穩定好每一批產品,如果您有遇到什么需要幫助解決的,可以直接聯系下方的聯系號碼或加QQ/微信,由我們的銷售經理給您精準的報價以及產品介紹
     
    聯系號碼:18923864027(同微信)
    QQ:709211280

    相關閱讀
    欧美人与性动交α欧美精品