AO4953,AO4953場效應管參數,AO4953參數規格書,AO4953代換
AO4953場效應管,雙PMOS管AO4953參數資料,AO4953引腳圖,AO4953中文資料規格書PDF
AO4953場效應管,雙PMOS管AO4953參數資料,AO4953引腳圖,AO4953中文資料規格書PDF

AO4953/SOP-8/SOIC-8封裝參數:點擊查看

極性:PNP
Drain-Source Voltage 漏源電壓Vds:-30V
Gate-Source Voltage 柵源電壓Vgs:±20V
Continuous Drain Current 漏極電流Id Tc=25℃:-5.3A
Power Dissipation 功率損耗Pd Ta=25℃:2.6W
Power Dissipation 功率損耗Pd Ta=70℃:W
Static Drain-Source On-Resistance 導通電阻ID=-5.3A,VGS=-10V: Typ 43mΩ Max 49mΩ
Static Drain-Source On-Resistance 導通電阻ID=-4.2A,VGS=-4.5V:Typ 68mΩ Max 100mΩ
Junction and Storage Temperature Range 溫度范圍:-55~+150℃
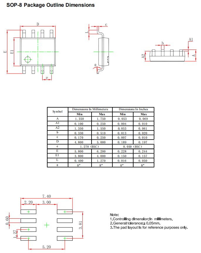
AO4953場效應管SOP-8/SOIC-8封裝尺寸:

〈烜芯微/XXW〉專業制造二極管,三極管,MOS管,橋堆等,20年,工廠直銷省20%,上萬家電路電器生產企業選用,專業的工程師幫您穩定好每一批產品,如果您有遇到什么需要幫助解決的,可以直接聯系下方的聯系號碼或加QQ/微信,由我們的銷售經理給您精準的報價以及產品介紹
聯系號碼:18923864027
QQ:709211280


