交流電和直流電的區別
交流電和直流電兩者的變化特性不同。交流電的電流大小和方向會隨時間做周期性變化,在一個周期內的運行平均值為零,通常波形為正弦曲線,而直流電沒有周期性變化。
另外,交流電的電壓可以通過變壓器進行改變,但是直流電卻不能實現這一點,所以在長距離的電能輸送中,我們是采用交流電,
其主要是因為電纜都非常的長,電阻非常的大,中間會發生很大的能量損耗,所以一定要加大輸出的電壓,這樣就能減少損耗。
最后,在終端又可以通過變壓器將高電壓轉化成比較合適的電壓,正是這樣,我們才會在大規模遠距離上面都采用高壓交流輸電模式。
一般概念
直流電:是指大小和方向都不隨時間而變化的電流。許多用電器,如收音機,揚聲器等許多不含電感元件的電器都用直流電驅動。分正、負極,無法利用變壓器改變電壓,用在低電壓電器里。用乾電池的電器都屬此類。
交流電:交流電是指大小和方向都隨時間做周期性變化的電流,通常的交流是按正弦規律或余弦規律變化的,電流先由零變到最大,再由最大變到零。
然后反方向由零變到最大,再由最大變為零,完成一個周期,以后是下一個周期,如此反復變化。交流電有很有優點,除可用于一些特殊的用電器,如電動機等外,它對于電的傳輸,特別是遠距離傳輸有著特別的意義。
交流轉直流電路圖
(一)
交流變直流的電路是將正弦渡交流電變成直流的電路,如果輸入的信號不是正弦波,而是三角波或是失真比較大的正弦波,平均值與有效值的關系就為1.11倍,因而測量誤差就會比較大,
這種情況不用平均值,而是直接換算成能求得交流的有效值再轉換成直流,圖所示為交流有效值與直流的轉換電路,它主要用于信號測量的設備中。

(二)
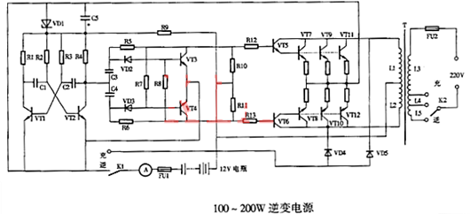
逆變電源把直流電逆變成交流電的電路稱為逆變電路。在特定場合下,同一套晶閘管變流電路既可作整流,又能作逆變。如下圖所示:

(三)
高電壓升壓電源電路:交流220V轉直流600V開關電源電路

〈烜芯微/XXW〉專業制造二極管,三極管,MOS管,橋堆等,20年,工廠直銷省20%,上萬家電路電器生產企業選用,專業的工程師幫您穩定好每一批產品,如果您有遇到什么需要幫助解決的,可以直接聯系下方的聯系號碼或加QQ/微信,由我們的銷售經理給您精準的報價以及產品介紹
聯系號碼:18923864027(同微信)
QQ:709211280

