通用變頻器的硬件電路設計

基于DSP的通用變頻調速系統總體設計圖
其中主電路部分由整流電路、濾波電路、逆變電路(IPM)和IPM驅動電路與吸收電路組成。
其工作原理是把單相交流電壓通過不可控整流模塊變為直流電壓,整流后的脈動電壓再經過大電容C1,C2平滑后成為穩定的直流電壓。IPM逆變電路對該直流電壓進行斬波,形成電壓和頻率均可調的三相交流電,提供給電機。
系統保護電路包括過壓、欠壓保護、限流啟動、IPM故障保護與泵升控制等。過壓、欠壓保護是利用電阻分壓采集母線電壓,與規定值相比較;限流啟動是由于開啟主回路時,大電容充電瞬間引起的電流過大,這樣可能會損壞整流橋,因此在主回路上串聯限流電阻R1,當電容電壓達到規定值時,啟動繼電器把R1短路,主回路進入正常工作狀態;
IPM故障保護是IPM內部集成的各種保護功能,包括過電流保護功能、短路保護功能、控制電源欠電壓保護和管殼及管芯溫度過熱保護。把上述各種故障信號進行綜合處理后形成總的故障信號送入DSP(TMS320LF2407A)的PDPINTA故障中斷入口,進而封鎖DSP的PWM波輸出。
控制電路包括DSP最小系統電路、頻率輸入電路、光耦隔離電路等。最小系統由DSP本身和外擴的數據SRAM、程序SRAM、復位電路、晶振、譯碼電路、電源轉換電路和仿真接口JTAG電路組成,仿真接口JTAG電路是為了實現在線仿真,同時在調試過程裝載數據代碼和程序代碼;
頻率輸入電路可以設置系統要輸出的SPWM波的頻率;光耦隔離電路是為了把DSP輸出的弱電信號和主電路的強電信號進行可靠隔離。
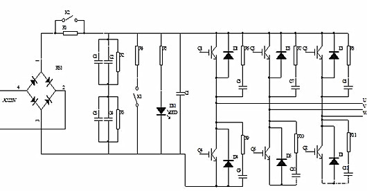
主電路原理圖如下圖所示,由整流電路、濾波電路、逆變電路(IPM)和IPM的吸收電路組成。
主電路采用典型的交-直-交電壓源型通用變頻器結構,輸入功率級采用單相橋式不可控整流電路RB1,整流輸出經中間環節大電容(由C1到C4電容組成)濾波,獲得平滑的直流電壓。
逆變部分通過功率器件IGBT的導通和關斷,輸出交變的脈沖電壓序列。由于功率器件開關頻率過高,會產生電壓尖脈沖,因此需要吸收電路來消除該尖峰。
圖中C5為C型吸收電路,R6到R11和C6到C11組成RC型吸收電路。發光二極管DS1用來顯示濾波電容兩端的電量。

主電路原理圖
下面詳細介紹各個部分電路及元件參數。(被控電動機參數為:△聯接,額定功率為PN=60W,額定電壓UN=220V,額定電流IN=0.28A,額定頻率fN=50Hz,額定轉速nN=1400r/min。)
整流電路由4個整流二極管組成單相不可控整流橋,它們將電源的單相交流全波整流成直流。整流電路因變頻器輸出功率大小不同而異。
小功率的,輸入電源多用220V,整流電路為單相全波整流橋;大功率的,一般用三相380V電源,整流電路為三相橋式全波整流電路。本設計采用的是單相整流橋。
〈烜芯微/XXW〉專業制造二極管,三極管,MOS管,橋堆等,20年,工廠直銷省20%,上萬家電路電器生產企業選用,專業的工程師幫您穩定好每一批產品,如果您有遇到什么需要幫助解決的,可以直接聯系下方的聯系號碼或加QQ/微信,由我們的銷售經理給您精準的報價以及產品介紹
聯系號碼:18923864027(同微信)
QQ:709211280

