LED驅動的連接方式
一、串聯方式
這種串聯連接的方式電路比較簡單,首尾連接在一起,LED工作時流過的電流一致很好,由于LED屬于電流型器件,因此基本可以保證每個LED的發光強度一致。采取這種LED連接方式的電路簡單、連接方便。
但是也有一個致命的缺點,那就是當其中一個LED發生開路故障時,將造成整個LED燈串的熄滅,影響了使用的可靠性,這就需要保證每個LED的質量過硬,這樣可靠性也就相應的提高。

如果采用LED恒壓驅動電源來驅動LED,那么當某一個LED短路時候就會導致電路電流增大,當達到一定值時候LED就會損壞,從而導致后面的LED全部損壞,
但是如果采用LED恒流驅動電源來驅動LED,當某一個LED發生短路時候電流基本保持不變,對后面的LED沒有影響。不管哪一種方式驅動,一旦某個LED發生開路時候,整個電路都不會被點亮。
二、并聯方式
并聯方式特點是LED首尾并聯連接,工作時每個LED上承受的電壓相等。但是電流不一定相等,即使是同一種型號、同一種規格批次的LED也是如此,這是由于生產制造工藝等原因導致。
因此,每個LED電流分配的不均可能使電流過大的LED壽命相對于其他的LED有損下降,久而久之容易燒壞。這種并聯連接方式電路較為簡單,但是可靠性也不高,特別LED數量較多情況下發生故障可能性更高。

并聯連接的方式所需要的電壓較低,但是由于每個LED的正向壓降不一樣,導致每只LED的亮度不同,另外如果一只LED短路,那么整個電路會短路,其余LED都不能正常工作對于某一個LED斷路,
如果使用恒流驅動,則分配到余下的LED的電流會增大,進而可能導致余下的LED損壞,但是采用恒壓驅動就不會影響整個LED電路的正常工作。
三、混聯方式
混聯就是采用串聯和并聯方式混合,先將幾只LED串聯,然后并聯在一起接在LED驅動電源兩端,在LED基本一致性情況下,采用這樣的連接方式使得所有支路的電壓基本相等,每一支路上流過的電流也基本一致。

采用混聯方式主要是應用在LED數量較多情況下,因為這種方式保證每分支中的LED故障最多只影響本分支的正常發光,比單純的串聯、并聯形式提高了可靠性。
目前很多大功率的LED燈具普遍采用的是這種方式,達到很實用的效果。
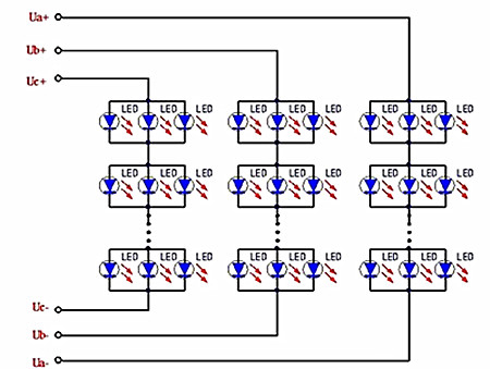
四、陣列方式
陣列方式主要構成形式是:分支以3個LED為一組,分別接入驅動器輸出的Ua,Ub,Uc輸出端。
當一分支中的3個LED都正常時,3個LED同時發光;一旦其中有一個或兩個LED失效開路時,可以保證至少有一個LED的正常工作。
這樣一來就能夠大大地提高了每組LED發光的可靠性,也就能夠提高整個LED發光的總體可靠性。采用這種方式需要多組輸入電源,目的是為了提高LED工作的可靠性,降低整體電路故障發生率。

〈烜芯微/XXW〉專業制造二極管,三極管,MOS管,橋堆等,20年,工廠直銷省20%,上萬家電路電器生產企業選用,專業的工程師幫您穩定好每一批產品,如果您有遇到什么需要幫助解決的,可以直接聯系下方的聯系號碼或加QQ/微信,由我們的銷售經理給您精準的報價以及產品介紹
聯系號碼:18923864027(同微信)
QQ:709211280

