電磁干擾的定義
電磁干擾(ElectroMagneticInterference,簡稱EMI)是指任何在傳導或電磁場伴隨著電壓、電流的作用而產生會降低某個裝置、設備或系統的性能,或可能對生物或物質產生不良影響之電磁現象。
電磁干擾的產生
騷擾源、敏感設備與耦合途徑并稱電磁干擾三要素。對于開關電源模塊來說,噪聲的產生在于電流或電壓的急劇變化,即di/dt或dv/dt很大,因此高功率和高頻率運作的器件都是EMI噪聲的來源。
具體來說,其來源主要有:
(1)外界耦合的干擾(主要在輸入端和輸出端產生);
(2)開關管;
(3)變壓器;
(4)二極管;
(5)儲能電感;
(6)PCB板布局和走線不合理從而產生的回路干擾。
抑制電磁干擾的對策
人們總是想方設法地將電磁干擾三要素之中的一個去掉:屏蔽掉騷擾源、隔離開敏感設備或者切斷耦合途徑。從能量的角度來講,電磁干擾是一種能量,無法不讓它產生,只有用一定的辦法去減小其對系統的干擾。
可用到的方法可分為兩大類:一種是讓能量泄放掉;另一種是把能量給擋在外部。可以說一種方法是減小其產生的幅度,另一種則切斷其傳播途徑。
下面針對具體的方面一一分析:
1、外界干擾的耦合(輸入端和輸出端)
(1)輸入端
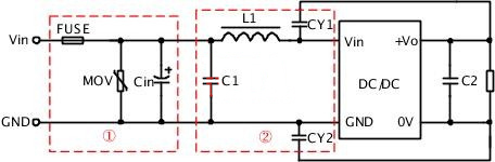
輸入端是整個電源的入口處,電源內部的噪聲也可由此傳播到外部,對外界造成干擾。通常采用的策略是在輸入加X電容、Y電容、差模電感和共模電感對噪聲和干擾進行過濾。
圖1就是一種比較常見的EMI濾波電路。

圖1 EMI濾波電路
其中L1、CY1和CY2組成的濾波電路可以抑制電源線上存在的共模干擾信號。
當有共模干擾電流流經線圈時,由于共模電流的同向性,會在線圈內產生同向的磁場而增大線圈的感抗,使線圈表現為高阻抗,產生較強的阻尼效果,以此衰減共模干擾。
差模電感L2和X電容,組成的低通濾波可抑制電源線上的差模干擾。
(2)輸出端
對于輸出,特別是有長輸出引線的情況,電源模塊跟系統搭配后,電源內部一些噪聲干擾就可能由輸出線而耦合到外界,干擾其他用電設備。
對此,最好的辦法是同對付輸入端的干擾一樣去加一些共模濾波和差模濾波。此外,還可以在輸出線串套磁珠環;采用雙絞線或是屏蔽線,以達到抑制EMI干擾的目的。
2、開關管
在電源模塊的工作過程中,由于開關管結電容的存在,開關管在快速開關的時候就會產生毛刺和尖峰,這樣就會有一些傳遞或發射出來。另外開關管的結電容和變壓器的繞組漏感也有可能產生諧振而發出干擾。
對此可采用的對策有:
(1)開關管D極和G極串加磁珠環,這樣等于加了一個小電感,減小開關管的電流變化率,從而達到減小尖峰的目的。
(2)在開關管處加緩沖電路或采用軟開關技術,減小開關管在快速工作時的尖峰,使其電壓或電流能緩慢上升。
(3)減小開關管與周邊組件的壓差,那么開關管的結電容可充電的程度會得到一定的降低。
(4)增大開關管的G極驅動電阻。
3、變壓器
變壓器是電源模塊的儲能組件,在能量的充放過程中,就可能會產生噪聲干擾。漏感可以與電路中的分布電容組成振蕩回路,使電路產生高頻振蕩并向外輻射電磁能量,造成電磁干擾。
一次繞組與二次繞組之間的電位差也會產生高頻變化,通過寄生電容的耦合,從而產生了在一次側與二次側之間流動的共模傳導EMI電流干擾。
對此可采用的對策有:
(1)變壓器加屏蔽。
屏蔽可分為電屏蔽與磁屏蔽,電屏蔽主要的作用是將初級來的干擾信號與次級隔離開來。
可在初、次級之間包一層銅箔(內屏蔽),但頭尾不能短路,銅箔要接地,這樣在初級繞組與銅箔之間形成電容,共模傳導干涉信號通過電容--銅箔--接地形成回路,不能進入次級繞組從而起到電屏蔽的作用。
磁屏蔽則在變壓器外部線包包首尾相連的銅箔(外屏蔽)。銅箔是良導體,高頻交變漏磁通穿過銅箔的時候會產生渦流,而渦流產生的磁場方向正好與漏磁通的方向相反,部分漏磁通就可以被抵消。
(2)采用三明治繞法,可以減少初級耦合至變壓器磁芯的高頻干擾。由于初級遠離磁芯,次級電壓低,故引起的高頻干擾小。
(3)降低工作頻率,減緩能量的快速充放。
(4)一次側和二次側的可靠隔離,一次側和二次側之間的地接Y電容。
(5)盡量減小變壓器的漏感,改進電路的分布參數,能在一定程度減小干擾。
4、二極管
二極管在快速截止與導通的過程中會有尖峰的產生,特別是整流二極管,其在反向恢復過程中,電路的寄生電感、電容會發生高頻振蕩,產生電磁干擾。
對此可采用的對策有:
(1)加RC吸收電路,讓二極管的能量能平緩的泄放。
(2)在其陰極管腳套一個磁珠環,使其電流不可突變以減小尖峰。
5、儲能電感
(1)類似于變壓器,可對其加屏蔽。
(2)調整其參數,避免與回路的電容產生振蕩。
6、PCB板的布局和走線
準確的說,PCB是上述干擾源的耦合通道,PCB的優劣,直接對應著對上述EMI源抑制的好壞。同時PCB板上器件的布局和布線的不合理都會造成EMI干擾。
對此可采用的對策有:
(1)減少干擾的最有效方法就是減小各個電流回路的面積(磁場干擾)和帶電導體的面積及長度(電場干擾)。
(2)電路中的不相同的地線特別是模擬地和數字地要分開。
(3)PCB的電源線和地線盡可能寬,以減小線阻抗,從而減小公共阻抗引起的干擾噪聲。
(4)對于傳輸信號的線路一定要考慮阻抗匹配。

圖2 兩種PCB布局對比
對于體積較小的DC-DC電源模塊,通常的做法是通過搭建外圍電路來實現電磁干擾的抑制,以保證應用系統的可靠性。EMC推薦電路如圖2所示,其中①部分用于EMS測試,②部分用于EMI濾波。

圖3 DC-DC電源模塊EMC推薦電路
電話:18923864027(同微信)
QQ:709211280
〈烜芯微/XXW〉專業制造二極管,三極管,MOS管,橋堆等,20年,工廠直銷省20%,上萬家電路電器生產企業選用,專業的工程師幫您穩定好每一批產品,如果您有遇到什么需要幫助解決的,可以直接聯系下方的聯系號碼或加QQ/微信,由我們的銷售經理給您精準的報價以及產品介紹

