BA591WS肖特基二極管參數,BA591WS引腳圖,BA591WS中文資料
BA591WS肖特基二極管,BA591WS二極管封裝為SOD-323,BA591WS參數規格書,BA591WS的作用
BA591WS肖特基二極管,BA591WS二極管封裝為SOD-323,BA591WS參數規格書,BA591WS的作用

BA591WS肖特基二極管參數規格書: 點擊查看
BA591WS肖特基二極管,SOD-323封裝參數如下:
Continuous Reverse Voltage VR 持續反向電壓:35V
Forward Continuous Current IFM 正向連續電流:100mAPower Dissipation PD 功耗:500mW
Maximum Forward Voltage VFM IF=10mA時,最大正向電壓:1V
Reverse Current IR 反向電流:20nA
Series Inductance Ls 串聯電感:2nH
Operating junction and storage temperature range TJ,TSTG 工作溫度和存儲溫度范圍:-65to +150℃
BA591WA肖特基二極管,SOD-123封裝尺寸:

BA591WS肖特基二極管,SOD-323封裝尺寸:

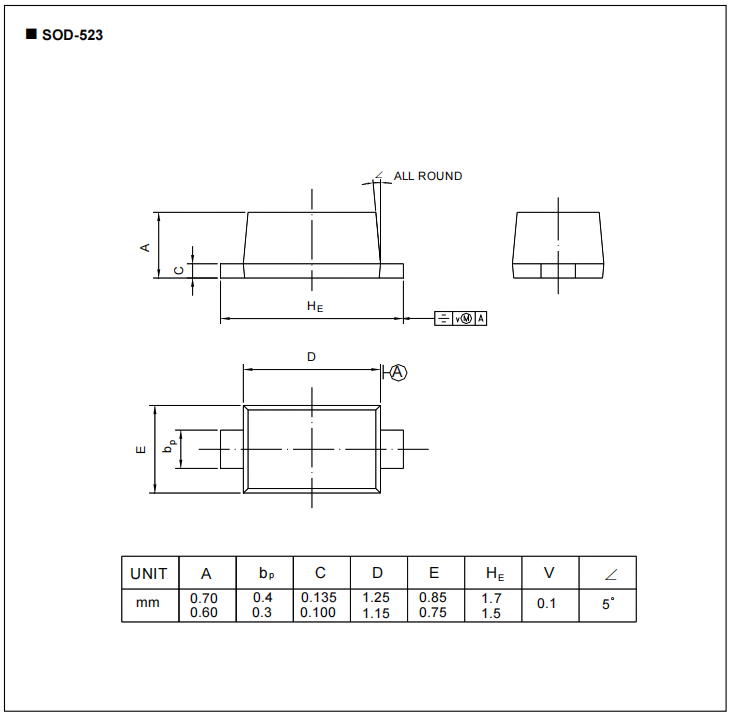
BA591WS肖特基二極管,SOD-523封裝尺寸:

〈烜芯微/XXW〉專業制造二極管,三極管,MOS管,橋堆等,20年,工廠直銷省20%,上萬家電路電器生產企業選用,專業的工程師幫您穩定好每一批產品,如果您有遇到什么需要幫助解決的,可以直接聯系下方的聯系號碼或加QQ/微信,由我們的銷售經理給您精準的報價以及產品介紹

BA591WS肖特基二極管,SOD-523封裝尺寸:

〈烜芯微/XXW〉專業制造二極管,三極管,MOS管,橋堆等,20年,工廠直銷省20%,上萬家電路電器生產企業選用,專業的工程師幫您穩定好每一批產品,如果您有遇到什么需要幫助解決的,可以直接聯系下方的聯系號碼或加QQ/微信,由我們的銷售經理給您精準的報價以及產品介紹
聯系號碼:18923864027(同微信)
QQ:709211280


