• <td id="oqoqq"><kbd id="oqoqq"></kbd></td>
  • <noscript id="oqoqq"><kbd id="oqoqq"></kbd></noscript>
  • 您好!歡迎光臨烜芯微科技品牌官網!

    深圳市烜芯微科技有限公司

    ShenZhen XuanXinWei Technoligy Co.,Ltd
    二極管、三極管、MOS管、橋堆

    全國服務熱線:18923864027

  • 熱門關鍵詞:
  • 橋堆
  • 場效應管
  • 三極管
  • 二極管
  • MMBD4148SE開關二極管,MMBD4148SE參數資料,MMBD4148SE代換
    • 發布時間:2021-12-13 17:11:36
    • 來源:
    • 閱讀次數:
    MMBD4148SE開關二極管,MMBD4148SE參數資料,MMBD4148SE代換
    MMBD4148SE開關二極管,MMBD4148SE封裝SOT-23,MMBD4148SE二極管參數,MMBD4148SE引腳圖
    MMBD4148SE
    MMBD4148SE開關二極管SOT-23封裝參數: 點擊查看MMBD4148SE
    MMBD4148SE開關二極管參數如下:
    MMBD4148SE
    Non-Repetitive Peak Reverse Voltage VRM 非重復峰值反向電壓:100V
    Peak Repetitive Reverse Voltage VRRM 峰值重復反向電壓:75V
    Working Peak Reverse Voltage VRWM 工作峰值反向電壓:75V
    DC Blocking Voltage VR 直流阻斷電壓:75V
    RMS Reverse Voltage VR(RMS) 均方根反向電壓:53V
    Forward Continuous Current IFM 正向連續電流:150mA
    Power Dissipation PD 功耗:350mW
    Maximum Forward Voltage VFM IF=150mA時,最大正向電壓:1.25V
    Operating junction and storage temperature range TJ,TSTG 工作溫度和存儲溫度范圍:-55to +150℃
    MMBD4148SE開關二極管SOT-23封裝尺寸:
    MMBD4148SE
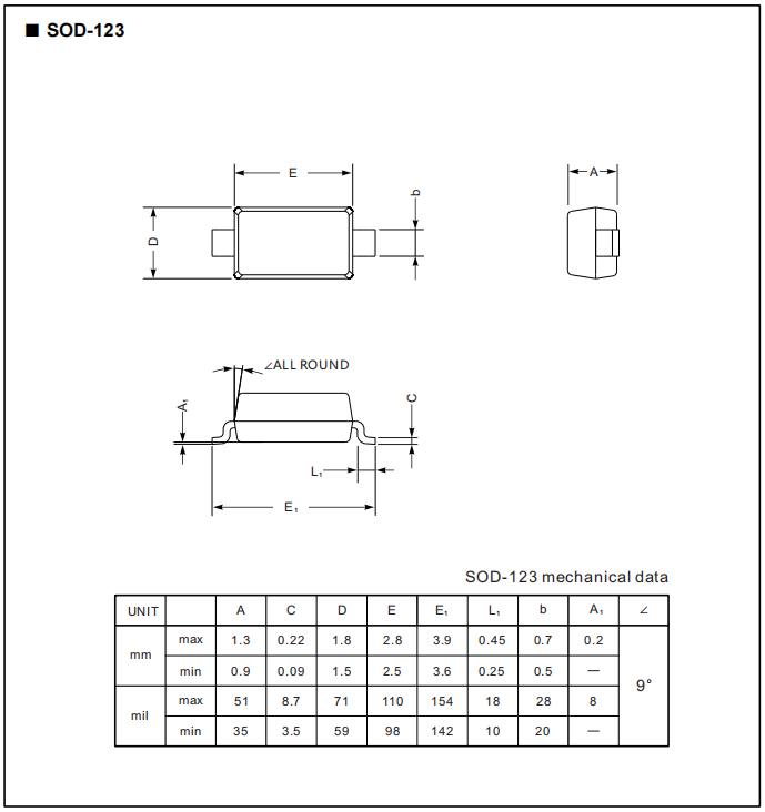
    MMBD4148SE開關二極管SOD-123封裝尺寸:
    MMBD4148SE
    MMBD4148SE二極管SOD-323封裝尺寸:
    MMBD4148SE
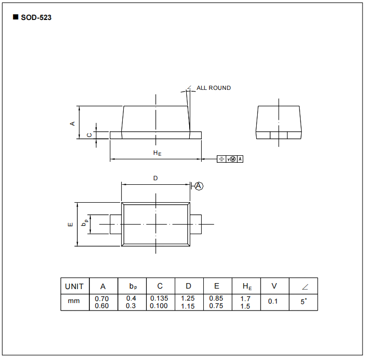
    MMBD4148SE二極管SOD-523封裝尺寸:
    MMBD4148SE
    〈烜芯微/XXW〉專業制造二極管,三極管,MOS管,橋堆等,20年,工廠直銷省20%,上萬家電路電器生產企業選用,專業的工程師幫您穩定好每一批產品,如果您有遇到什么需要幫助解決的,可以直接聯系下方的聯系號碼或加QQ/微信,由我們的銷售經理給您精準的報價以及產品介紹
     
    聯系號碼:18923864027(同微信)
    QQ:709211280
    相關閱讀
    欧美人与性动交α欧美精品