• <td id="oqoqq"><kbd id="oqoqq"></kbd></td>
  • <noscript id="oqoqq"><kbd id="oqoqq"></kbd></noscript>
  • 您好!歡迎光臨烜芯微科技品牌官網!

    深圳市烜芯微科技有限公司

    ShenZhen XuanXinWei Technoligy Co.,Ltd
    二極管、三極管、MOS管、橋堆

    全國服務熱線:18923864027

  • 熱門關鍵詞:
  • 橋堆
  • 場效應管
  • 三極管
  • 二極管
  • KBL610整流橋,KBL610整流橋參數規格書
    • 發布時間:2021-10-22 16:40:10
    • 來源:
    • 閱讀次數:
    KBL610整流橋,KBL610整流橋參數規格書
    KBL610整流橋,KBL610封裝為KBL,KBL610整流橋參數,KBL610規格書
    KBL610
    KBL610整流橋參數規格書:點擊查看KBL610
    KBL610整流橋參數具體如下:
    KBL610
    Maximum repetitive peak reverse voltage VRRM最大重復峰值反向電壓:1000V
    Maximum average forward rectified current IF(AV) 最大平均正向整流電流:6A
    Maximum instantaneous forward voltage drop per diode IFM=6A VF 每個二極管的最大瞬時正向壓降:1.1V
    Maximum DC reverse current at rated DC blocking voltage per diode VRM=VRRM 每個二極管在額定直流阻斷電壓下的最大直流反向電流:10uA
    Operating temperature range TJ 工作溫度范圍:-55 to +150°C
    storage temperature range TSTG 儲存溫度范圍:-55 to +150°C
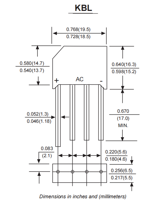
    KBL610整流橋堆封裝,KBL封裝尺寸:
    KBL610
    〈烜芯微/XXW〉專業制造二極管,晶體三極管,MOS管,整流橋堆等,20年,工廠直銷省20%,上萬家電路電器生產企業選用,專業的工程師幫您穩定好每一批產品,如果您有遇到什么需要幫助解決的,可以直接聯系下方的聯系號碼或加QQ/微信,由我們的銷售經理給您精準的報價以及產品介紹
     
    聯系號碼:18923864027(同微信)
    QQ:709211280
    相關閱讀
    欧美人与性动交α欧美精品