• <td id="oqoqq"><kbd id="oqoqq"></kbd></td>
  • <noscript id="oqoqq"><kbd id="oqoqq"></kbd></noscript>
  • 您好!歡迎光臨烜芯微科技品牌官網!

    深圳市烜芯微科技有限公司

    ShenZhen XuanXinWei Technoligy Co.,Ltd
    二極管、三極管、MOS管、橋堆

    全國服務熱線:18923864027

  • 熱門關鍵詞:
  • 橋堆
  • 場效應管
  • 三極管
  • 二極管
  • MUR1060CT快恢復二極管,MUR1060CT二極管參數規格書
    • 發布時間:2021-08-11 17:15:53
    • 來源:
    • 閱讀次數:
    MUR1060CT快恢復二極管,MUR1060CT二極管參數規格書
    MUR1060CT快恢復二極管10A 600V,MUR1060CT有TO220,TO220F兩種封裝,MUR1060CT二極管參數規格書
    MUR1060CT
    MUR1060CT快恢復二極管TO220封裝規格書:點擊下載
    MUR1060CT快恢復二極管TO-220封裝參數如下:
    MUR1060CT
    Maximum repetitive peak reverse voltage VRRM 最大重復峰值反向電壓:600V
    Maximum DC blocking voltage VDC 最大直流閉鎖電壓:600V
    Maximum average forward rectified current I(AV) 最大正向平均整流電流:10.0A
    Maximum instantaneous forward voltage at 10.0A VF 10.0A時的最大瞬時正向電壓:1.8V
    Maximum DC reverse current at rated DC blocking voltage TA=25℃ IR 額定直流阻斷電壓下的最大直流反向電流:10.0uA
    Maximum DC reverse current at rated DC blocking voltage TA=125℃ IR 額定直流阻斷電壓下的最大直流反向電流:500.0uA
    Operating junction and storage temperature range TJ,TSTG 工作溫度和存儲溫度范圍:-55to +150℃
    Maximum reverse recovery time  恢復時間:35ns
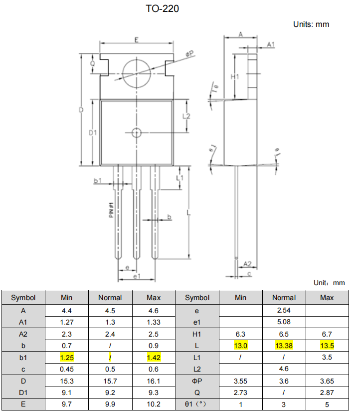
    MUR1060CT快恢復二極管,TO-220封裝尺寸:
    MUR1060CT
    聯系號碼:18923864027(同微信)
    QQ:709211280
    〈烜芯微〉專業制造二極管,三極管,MOS管,橋堆等,20年,工廠直銷省20%,1500家電路電器生產企業選用,專業的工程師幫您穩定好每一批產品,如果您有遇到什么需要幫助解決的,可以直接聯系上方的聯系號碼或加QQ,由我們的銷售經理給您精準的報價以及產品介紹
    相關閱讀
    欧美人与性动交α欧美精品