• <td id="oqoqq"><kbd id="oqoqq"></kbd></td>
  • <noscript id="oqoqq"><kbd id="oqoqq"></kbd></noscript>
  • 您好!歡迎光臨烜芯微科技品牌官網!

    深圳市烜芯微科技有限公司

    ShenZhen XuanXinWei Technoligy Co.,Ltd
    二極管、三極管、MOS管、橋堆

    全國服務熱線:18923864027

  • 熱門關鍵詞:
  • 橋堆
  • 場效應管
  • 三極管
  • 二極管
  • US2J超快恢復二極管2A 600V,SMA/SMB封裝,US2J參數規格書
    • 發布時間:2021-08-02 13:23:41
    • 來源:
    • 閱讀次數:
    US2J超快恢復二極管2A 600V,SMA/SMB封裝,US2J參數規格書
    US2J貼片超快恢復二極管2A 600V,US2J封裝有SMA/SMB多種封裝,US2J的封裝不同,則尺寸不同,參數一致
    US2J超快恢復二極管/SMA參數規格書: 點擊下載
    US2J超快恢復二極管/SMB參數規格書: 點擊下載
    US2J
    US2J,SMA/SMB封裝參數如下:
    US2J
    Maximum repetitive peak reverse voltage VRRM 最大重復峰值反向電壓:600V
    Maximum DC blocking voltage VDC 最大直流閉鎖電壓:600V
    Maximum average forward rectified current I(AV) 最大正向平均整流電流:2A
    Maximum instantaneous forward voltage at 2A VF 2A時的最大瞬時正向電壓:1.7V
    Maximum DC reverse current at rated DC blocking voltage TA=25℃ IR 額定直流阻斷電壓下的最大直流反向電流:5.0uA
    Maximum DC reverse current at rated DC blocking voltage TA=125℃ IR 額定直流阻斷電壓下的最大直流反向電流:50uA
    Operating junction and storage temperature range TJ,TSTG 工作溫度和存儲溫度范圍:-55to +150℃
    Maximum reverse recovery time  恢復時間:75ns
    US2J超快恢復二極管,DO-214AC/SMA封裝尺寸:
    US2J
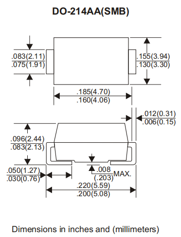
    US2J超快恢復二極管,DO-214AA/SMB封裝尺寸:
    US2J
    聯系號碼:18923864027
    QQ:709211280
    烜芯微專業制造二極管,三極管,MOS管,橋堆等,20年,工廠直銷省20%,1500家電路電器生產企業選用,專業的工程師幫您穩定好每一批產品,如果您有遇到什么需要幫助解決的,可以直接聯系上方的聯系號碼或加QQ,由我們的銷售經理給您精準的報價以及產品介紹
    相關閱讀
    欧美人与性动交α欧美精品