防雷保護電路在工業電路板上是十分常見的應用電路,今天就讓我們一探究竟。
端口都進行了防雷保護設計,其中包括220V交流電源防雷設計、以太網防雷保護、DI輸入端口防雷保護、AI輸入端口防雷保護、RS232/RS485防雷保護,下面將對這些防雷保護電路一一進行分析。
1.1.1 220V交流電源防雷保護
環境動力監控系統中電源采用220V交流電源供電,前端所使用的防雷保護電路詳見圖1


圖1 220V交流電源防雷保護電路
由于采用了復合對稱電路與共模、差模全保護,因此L、N可以隨便接,安全。即便壓敏電阻短路失效后與電路脫離,一般也不會引起火災。根據實際的使用經驗U2最容易遭受雷擊損壞,由于壓敏電阻本身的老化或承受暫時過電壓的多次沖擊,壓敏電阻的漏電流迅速增加發熱導致短路失效。壓敏的短路失效將造成整個供電線路的短路故障,并引起著火、爆炸等威脅到人身和財產安全的嚴重事故。本電路由于采用了金屬氧化鋅壓敏電阻U2,因此能有效地避免傳統的氧化鋅壓敏電阻因短路失效可能帶來的火災等安全隱患。與此同時,如果因為雷擊損壞時,其隔離的熔斷保險絲將同時熔斷,主機CPU可以在LS_Check端檢測到相應的信號,從而起到雷擊損壞報警功能。
表1 壓敏電阻值選擇一覽表


壓敏電阻的壓敏電壓值可參考表1選取,壓敏電壓值可以適當選高一點,這樣更安全、耐用,故障率低,但殘壓略高。然后根據通流容量要求選擇外形尺寸和封裝形式,或采用幾個壓敏電阻并聯,注意應挑選壓敏電壓值相近的并聯,每個壓敏電阻都要單獨串聯溫度保險管,以延長使用壽命和確保安全。
陶瓷氣體放電管的通流容量根據要求的通流容量選擇,直流擊穿電壓為470V~600V。當要求的通流容量≤3KA時,可以用玻璃放電管代替。
壓敏電阻和氣體放電管都必須按沖擊10次以上的降額值計算通流容量(壓敏電阻為一次沖擊通流容量的三分之一左右,氣體放電管為最大通流容量的一半左右)。
1.1.2 以太網防雷保護
隨著以太網技術在基站和機房監控中的應用,帶網口的采集設備越來越多,以前網絡設備大都用在機房和大樓的里面,機房和大樓本樓的防雷措施很充分,所以以前的帶網口的設備基本沒有考慮防雷的問題,至多在網口處加一些瞬態抑制二極管(TVS管)防浪涌,其保護指標很低(差模500V,共模1000V),當設備使用在基站中時,因如上述原因,大量網絡采集設備在基站中因被雷擊而損壞。
面臨這種問題,用戶的處理策略是在網口外加信號防雷器,以提高設備的防雷性能。但是,外加防雷器有很多不便,例如,需要重新做設備和防雷器直接的連接線,這樣連接點從原來的1個,增加為3個,故障率也增加了3倍。同時網口傳輸的是10M/100M高速信號,而外加防雷器的分布電容很大,對網絡信號的傳輸會有影響,這種方式是以犧牲傳輸距離和速度來提高設備的防雷效果。
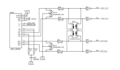
在環境動力監控系統中,提供并采用了一種既能提高防雷效果,防止網絡設備因雷擊損壞,又不會影響網絡傳輸性能,可以保證網絡傳輸距離和速度的監控采集設備網口防雷電路。詳見圖2。


圖2 以太網口防雷電路
在如圖2所示的網口防雷電路中,在網絡變壓器和網口插座之間增加放電管和雙向瞬態電壓泄放電路組成的兩級防護電路,極大的增強了網口的差模防護能力。第一限流電阻R80、R82、R84、R88和氣體放電管EA16、EA17組成了一級防護電路,對雷擊的浪涌電壓進行第一級保護,具有泄放雷電暫態過電流和限流過電壓作用。一級防護電路可以產生很大的泄放電流(3KA),大部分入侵能量通過地泄放。在此基礎上,由U31和R81、R83、R85、R89組成的雙向瞬態電壓泄放電路組成了二級防護電路,對差分信號進行雙向殘壓吸收,對雷擊的浪涌電壓進行第二級保護,剩余能量經過雙向瞬態電壓泄放電路泄放,到網絡變壓器的能量就很小了。在兩級防護電路的作用下,本電路具有良好的防雷效果,可以防止網絡設備因雷擊而造成的損壞。
在一級防護電路中,氣體放電管的寄生電容很小;在二級防護電路中,采用了由二極管、瞬態電壓抑制二極管、二極管串連組成的瞬態電壓泄放集成IC,大大降低了二級防護電路中TVS管過大的結電容。所以,本網口防雷電路不會影響網絡傳輸性能,可以保證原來的網絡傳輸距離和傳輸速度,網絡傳輸距離和網口波形均可滿足規范要求,同時具有良好的防雷效果。
在如圖2所示的網口防雷電路中,在器件選型方面,為了不影響網絡波形和傳輸性能,第一限流電阻的阻值為歐姆級,在本電路中R80、R82、R84、R88的電阻值為4.7Ω。為了保護網絡變壓器,又不影響網絡傳輸性能,第二限流電阻(R81、R83、R85、R89)的阻值可以在0Ω至10Ω之間,最好在2Ω至3Ω之間,在本電路中R81、R83、R85、R89的電阻值為2.2Ω。為了降低電路的體積同時減少分布電容的影響,本電路采用了由二極管、瞬態電壓抑制二極管、二極管串連組成的瞬態電壓泄放集成IC(UFS08A2.8L04),因UFS08A2.8L04中含有4條由第一二極管、瞬態單向電壓抑制二極管、第二二極管依次串聯組成的瞬態電壓泄放支路,所以每路網口發送信號線的防雷電路和接收信號線的防雷電路可以共用一個UFS08A2.8L04芯片,大大的減小了電路的體積和分布電容的影響。
1.1.3 AI/DI輸入端口防雷保護
在基站環境中由于AI/DI輸入端口是通過長距離的線纜與傳感器相連,因此AI/DI端口同樣存在防雷保護問題(主要為感應雷),在RMS-500系統中我們采用氣體放電管加TVS管組成的兩級防護電路,詳見圖3和圖4。


在圖3和圖4中,我們可以看到AI防雷保護電路與DI防雷保護電路存在的區別,在DI防雷保護電路中我們使用了功率電阻R1(7.5Ω/2W),R1應滿足R1≥(U1 -U2) /I1,其中U1為測得空氣放電管的沖擊擊穿電壓值,U2為TVS管最高鉗位電壓,I1為查TVS器件手冊得到TVS管8/20us沖擊電流下的最大通流量。在AI防雷電路中由于需要對4~20mA電流和電壓進行測量,因此我們在精度范圍內采用電感L1而沒有使用電阻,L1應滿足L1≥(U1 -U2) × (T2 -T1) / (I1 /2),電感L1的取值計算方法為:以 8/20us 沖擊電流為準,測得在設計通流容量下壓敏電阻的殘壓值 U1,查 TVS 器件手冊得到 8/20us 沖擊電流作用下TVS管的最大通流量I1、以及TVS管最高鉗位電壓U2,8/20us 沖擊電流的視在波頭時間T1=8us,視在半峰值時間T 2=20us。
烜芯微專業制造二極管,三極管,MOS管,橋堆等20年,工廠直銷省20%,4000家電路電器生產企業選用,專業的工程師幫您穩定好每一批產品,如果您有遇到什么需要幫助解決的,可以點擊右邊的工程師,或者點擊銷售經理給您精準的報價以及產品介紹
烜芯微專業制造二極管,三極管,MOS管,橋堆等20年,工廠直銷省20%,4000家電路電器生產企業選用,專業的工程師幫您穩定好每一批產品,如果您有遇到什么需要幫助解決的,可以點擊右邊的工程師,或者點擊銷售經理給您精準的報價以及產品介紹

