MOS管防倒灌電路
MOS管防倒灌電路設計如下圖所示:在某些應用中,如電池充電電路中, B點是充電器接口, C點是電池接口,為了防止充電器拔掉時,電池電壓出現在充電接口。
(Q1、Q2、Q3共同組成防倒灌電路)注意Q3的DS反向接于電路,這樣做是防止MOS的體=極管對電路產生的影響(如果Q3按常規方式接在電路中, C點接電源則會在B點出現電壓)

電源自動切換

防倒灌電路設計
Oring電路介紹
Oring電路從其名字就可以知道他的功能,可以理解為單向導電電路。目前Oring電路應用于很多場合,他的作用就是保證各個單體電源互相獨立、不出現反灌現象,其中最常見的就是應用于均流電路中。
二極管由于本身具有單向導電性,所以他就是天然的Oring電路。最基本的Oring電路就是在輸出端加一個二極管,如圖1,根據此單體電源的輸出電流和系統中連接在此單體電源輸出端口可能出現的最高電壓選擇二極管。


由于二極管的正向壓降比較大,當輸出電流很大時(如100A),圖1中的二極管Oring電路的損耗就非常大(70W左右),顯然不適用于大電流Oring,這時就要應用Mos管的Oring電路,稍微復雜一點,如圖2 (最基本的Mos管Oring電路)

由于Mos管可以看作是一個開關管并一個體二極管, 控制此Mos管當無輸出電流時關斷開關管、由體二極管去阻斷,有輸出出電流時使開關管導通,從而可以保證單向導電同時也減少正向導通時發生的損耗。
圖2與圖1相比需要一個額外的輔助電壓。(在一些情況下可以把Oring電路放在輸出負端,同時用輸出電壓作為輔助電壓)。
此電路的關鍵因素之一是如何正確、恰當的去控制Mos管的開關。而嚴格的講圖2中電路一般是不能勝任的,因為Q2的BE結電壓與D1的導通壓降一般不相等, 如何保證他們的電壓相等,從而使Mos管恰當的開關呢,圖3就是改進后的電路。

圖三中Q2, Q3是同樣的管子,這樣就可以保證兩電壓是基本相等,或者選用集成此兩個三極管的器件,這樣就幾乎相等了,從而可以保證可以恰當的開關。此電路也經常見于很多產品中。
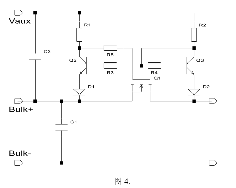
圖3是個基本成熟的電路,但是如果考慮管子的高可靠性,又需要加一些額外的電路,圖4就是一個經常用的電路。

圖4的電路基本就是一個非常可靠的Oring 電路了,R1,R2 可在具體的電路中折中選擇,因為如果取值太大會提高效率,但是當外界有反高壓時會反灌進去一些電流,取值太小又會降低效率。為了避專利和其他一些特殊地方的用途,圖4的電路經常還要做一些變化。
烜芯微專業制造二極管,三極管,MOS管,橋堆等20年,工廠直銷省20%,4000家電路電器生產企業選用,專業的工程師幫您穩定好每一批產品,如果您有遇到什么需要幫助解決的,可以點擊右邊的工程師,或者點擊銷售經理給您精準的報價以及產品介紹
烜芯微專業制造二極管,三極管,MOS管,橋堆等20年,工廠直銷省20%,4000家電路電器生產企業選用,專業的工程師幫您穩定好每一批產品,如果您有遇到什么需要幫助解決的,可以點擊右邊的工程師,或者點擊銷售經理給您精準的報價以及產品介紹

