都是三個引腳:三極管、場效應管、IGBT怎么用?
一、三極管
三極管是一種電流控制體器件,它的主要作用是把微弱信號放大,輸入阻抗低,例如在基極b給一個很小的電流Ib,在集電極c上得到一個比較大的電流Ic。
它是電流放大器件,但是在實際時候通常通過一個電阻將三極管的電流放大作用轉變為電壓放大作用;
因此,只要電路參數設置合適,一般輸出電壓可以比輸入電壓高很多倍。它有三個工作狀態:截止狀態、放大狀態、飽和狀態。三極管一般是弱電中使用,而且出現在開關作用、電流放大作用,例如蜂鳴器驅動、數碼管驅動、直流小風扇驅動等方面。
(1)三極管驅動數碼管
如果由于單片機I/O口驅動能力有限,可以加三極管擴大驅動電流

(2)三極管驅動蜂鳴器

二、場效應管
場效應管是電壓控制器件,它是繼三極管之后的新一代放大元件,場效應晶體管可分為耗盡型效應晶體管和增強型效應晶體管,同時又有N溝道和P溝耗盡型之分。

場效應管一般用于開關作用,有開關用以及有功率用。特別是電機、開關電源等,應用場合一般都是出現在需要耐壓高、耐電流大、頻率特性高的時候。

三、IGBT
IGBT是電壓控制電流,可以說是集成塊三極管和場效應管的優點的一種器件,它利用電壓來控制PN結,在大電流應用比較廣泛;
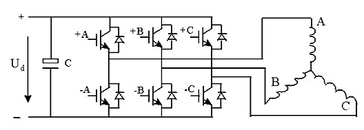
因此比較適合強電開關,強電功率使用,例如變頻器、逆變器、電力控制系統等,很多場合以IGBT作為逆變器件,工作電流3000kVA以上,頻率達25kHz以上。
如下圖是直流電機驅動主電路

四、總結
(1)三極管是電流控制器件、而場效應管和IGBT是電壓驅動器件。三極管特點是能夠將電流放大,場效應管特點是噪聲小、功耗低、沒有二次擊穿現象等,IGBT特點是高耐壓、導通壓降低、開關速度快等;
(2)三者都可以作為電子開關用,三極管一般是小型開關、信號放大場合應用,如果對于信號源需要更多的電流時候可以采用三極管,否則就用場效應管,而IGBT更適合于大電流、大電壓的電力系統,它是電力電子重要的大功率主流器件之一。
烜芯微專業制造二極管,三極管,MOS管,橋堆等20年,工廠直銷省20%,4000家電路電器生產企業選用,專業的工程師幫您穩定好每一批產品,如果您有遇到什么需要幫助解決的,可以點擊右邊的工程師,或者點擊銷售經理給您精準的報價以及產品介紹
烜芯微專業制造二極管,三極管,MOS管,橋堆等20年,工廠直銷省20%,4000家電路電器生產企業選用,專業的工程師幫您穩定好每一批產品,如果您有遇到什么需要幫助解決的,可以點擊右邊的工程師,或者點擊銷售經理給您精準的報價以及產品介紹

